■ねじりコイルばねとは
・「ねじりコイルばね」は、「ねじりスプリング」、「キックばね」、「トーションスプリング」とも呼ばれています。
・コイル回転方向に加えられた力に対する反発力により、力を受け止めたり、反発したり、振動の緩和などに利用されます。
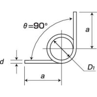
■サンエス標準ばねは、巻角度 90°のねじりコイルばねを標準化
・ねじりばねの設計・計算は面倒だ、ややこしいと、お困りではないでしょうか。
・そんな方々のご要望にお応えしねじりばねを新たに標準化いたしました。
・サンエス標準ばね [ ねじりコイルばね Aタイプ ] は、巻角度 90°タイプのねじりばねです。
・一般に用いられる冷間成形用のステンレス鋼線、線径φ0.3mm~φ2.0mmを使用した、ねじりコイルばねです。
■サンエス標準ばねシリーズとは
・圧縮ばねを、線径0.4~10mm、外径4.5~80mm、材質ピアノ線および、ステンレス鋼線の計920種を常時在庫。
・引張ばねを、線径0.32~2.3mm、外径3.2~24mm、材質ピアノ線および、ステンレス鋼線の計424種を常時在庫。
・フリーサイズ引張ばねを、材質ピアノ線およびステンレス鋼線の計104種を常時在庫。
・ねじりばねを、線径0.3~2.0mm、内径3~14mm、巻角度90°・135°・180°の3タイプ、材質ステンレス鋼線の計を270種を常時在庫。
・即納体制でお客様のご要望にお応えいたします。
■「特注ばね」にも対応します
・昌和発條の『特注ばね』って、すごくお手軽なんです。
・数個からご購入できる『サンエス標準ばね』は自慢のラインアップですが、実はお客さまの要望に合わせて作る『特注ばね』も得意なんです。
・あなたのお悩み喜んでお伺いします!昌和発條は簡単に「できない」とは言いません。
共通仕様
| 材質 | JIS G 4313(ばね用ステンレス鋼線)B種 SUS304 WP-B |
|---|---|
| 特性 | 耐食性、耐熱性(約250℃) |
| 熱処理 | 350℃~400℃ 低温焼鈍(※表面処理はしていません) |
| 巻角度θ | 90° |

