・据付作業条件、強度などの点に付いて見直されプランマブロックの良さが再確認され、最近では利用範囲も著しく拡大されつつあります。
・普通ネズミ鋳鉄(FC200)を採用。
TOHO
プランマブロック SN600形
詳細仕様
19件の型式
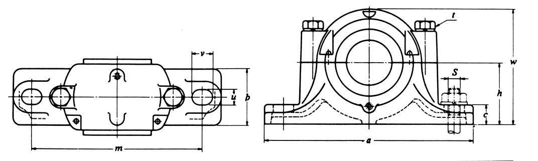
| 型式 |
軸径 d1 (mm) |
寸法(mm) | 寸法(呼び) | 適用自動調心玉軸受1300形 | 適用自動調心玉軸受2300形 | 適用自動調心ころ軸受21300形 | 適用自動調心ころ軸受22300形 | オイルシール |
重量 (kg) |
||||||||||||||||||||||||
|---|---|---|---|---|---|---|---|---|---|---|---|---|---|---|---|---|---|---|---|---|---|---|---|---|---|---|---|---|---|---|---|---|---|
| h | a | b | c | l | w | m | u | v | D | g | t | s | 呼び番号 | アダプタ 型式 | 位置決め輪 | 呼び番号 | アダプタ 型式 | 位置決め輪 | 呼び番号 | アダプタ 型式 | 位置決め輪 | 呼び番号 | アダプタ 型式 | 位置決め輪 | 型式 | 個数 | |||||||
| 型式 | 個数 | 型式 | 個数 | 型式 | 個数 | 型式 | 個数 | ||||||||||||||||||||||||||
| SN607 | 30 | 60 | 205 | 60 | 25 | 90 | 110 | 170 | 15 | 20 | 80 | 41 | M10 | M12 | 1307K | H307X | SR80×10 | 2 | 2307K | H2307X | SR80×10 | 1 | - | - | - | - | - | - | - | - | ZF7 | 2 | 2.6 |
| SN608 | 35 | 60 | 205 | 60 | 25 | 95 | 115 | 170 | 15 | 20 | 90 | 43 | M10 | M12 | 1308K | H308X | SR90×10 | 2 | 2308K | H2308X | SR90×10 | 1 | 21308CK | H308X | SR90×10 | 2 | 22308CK | H2308X | SR90×10 | 1 | ZF8 | 2 | 3.0 |
| SN609 | 40 | 70 | 255 | 70 | 28 | 105 | 130 | 210 | 18 | 23 | 100 | 46 | M12 | M16 | 1309K | H309X | SR100×10.5 | 2 | 2309K | H2309X | SR100×10 | 1 | 21309CK | H309X | SR100×10.5 | 2 | 22309CK | H2309X | SR100×10 | 1 | ZF9 | 2 | 4.4 |
| SN610 | 45 | 70 | 255 | 70 | 30 | 115 | 135 | 210 | 18 | 23 | 110 | 50 | M12 | M16 | 1310K | H310X | SR110×11.5 | 2 | 2310K | H2310X | SR110×10 | 1 | 21310CK | H310X | SR110×11.5 | 2 | 22310CK | H2310X | SR110×10 | 1 | ZF10 | 2 | 5.0 |
| SN611 | 50 | 80 | 275 | 80 | 30 | 120 | 150 | 230 | 18 | 23 | 120 | 53 | M12 | M16 | 1311K | H311X | SR120×12 | 2 | 2311K | H2311X | SR120×10 | 1 | 21311K | H311X | SR120×12 | 2 | 22311BK | H2311X | SR120×10 | 1 | ZF11 | 2 | 5.8 |
| SN612 | 55 | 80 | 280 | 80 | 30 | 125 | 155 | 230 | 18 | 23 | 130 | 56 | M12 | M16 | 1312K | H312X | SR130×12.5 | 2 | 2312K | H2312X | SR130×10 | 1 | 21312K | H312X | SR130×12.5 | 2 | 22312BK | H2312X | SR130×10 | 1 | ZF12 | 2 | 7.0 |
| SN613 | 60 | 95 | 315 | 90 | 32 | 130 | 175 | 260 | 22 | 27 | 140 | 58 | M16 | M20 | 1313K | H313X | SR140×12.5 | 2 | 2313K | H2313X | SR140×10 | 1 | 21313K | H313X | SR140×12.5 | 2 | 22313BK | H2313X | SR140×10 | 1 | ZF13 | 2 | 9.5 |
| SN615 | 65 | 100 | 345 | 100 | 35 | 140 | 195 | 290 | 22 | 27 | 160 | 65 | M16 | M20 | 1315K | H315X | SR160×14 | 2 | 2315K | H2315X | SR160×10 | 1 | 21315K | H315X | SR160×14 | 2 | 22315BK | H2315X | SR160×10 | 1 | ZF15 | 2 | 12 |
| SN616 | 70 | 112 | 345 | 100 | 35 | 145 | 212 | 290 | 22 | 27 | 170 | 68 | M16 | M20 | 1316K | H316X | SR170×14.5 | 2 | 2316K | H2316X | SR170×10 | 1 | 21316K | H316X | SR170×14.5 | 2 | 22316BK | H2316X | SR170×10 | 1 | ZF16 | 2 | 15 |
| SN617 | 75 | 112 | 380 | 110 | 40 | 155 | 218 | 320 | 26 | 32 | 180 | 70 | M20 | M24 | 1317K | H317X | SR180×14.5 | 2 | 2317K | H2317X | SR180×10 | 1 | 21317K | H317X | SR180×14.5 | 2 | 22317BK | H2317X | SR180×10 | 1 | ZF17 | 2 | 18 |
| 型式 | 商品コード | 単位 |
価格 (円) |
基準納期 | |
|---|---|---|---|---|---|
| 日伝 | メーカー | ||||
| SN607 | SN607 | P | 11,500 | 在庫品 | - |
| SN608 | SN608 | P | 12,500 | 在庫品 | - |
| SN609 | SN609 | P | 15,000 | 在庫品 | - |
| SN610 | SN610 | P | 16,000 | 在庫品 | - |
| SN611 | SN611 | P | 20,500 | 在庫品 | - |
| SN612 | SN612 | P | 21,000 | 在庫品 | - |
| SN613 | SN613 | P | 26,500 | 在庫品 | - |
| SN615 | SN615 | P | 34,000 | 在庫品 | - |
| SN616 | SN616 | P | 39,000 | 在庫品 | - |
| SN617 | SN617 | P | 47,000 | - | - |
関連製品
この製品を見た人はこのような製品も見ています
製品についてのご質問やお困りごとなどお気軽にご相談ください!
Loading...

