・据付作業条件、強度などの点に付いて見直されプランマブロックの良さが再確認され、最近では利用範囲も著しく拡大されつつあります。
・普通ネズミ鋳鉄(FC200)を採用。
TOHO
プランマブロック SN3000・3100形
詳細仕様
17件の型式
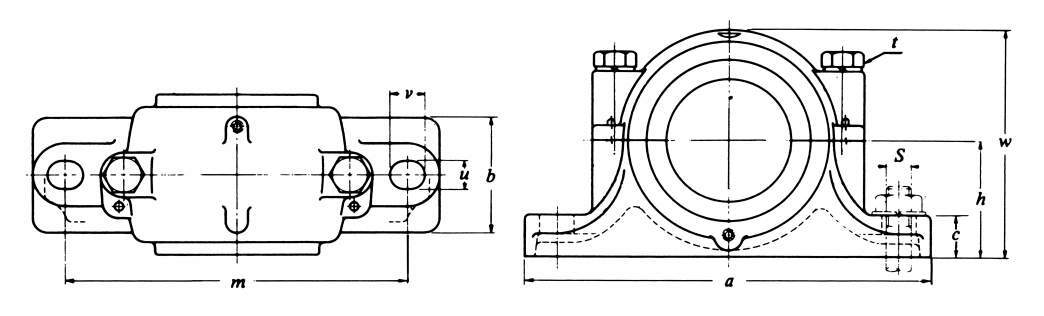
| 型式 |
軸径 d1 (mm) |
寸法(mm) | 寸法(呼び) | 適用軸受 | オイルシール |
重量 (kg) |
|||||||||||||||
|---|---|---|---|---|---|---|---|---|---|---|---|---|---|---|---|---|---|---|---|---|---|
| h | a | b | c | l | w | m | u | v | D | g | t | s | 呼び番号 | アダプタ型式 | 位置決め輪 | 型式 | 個数 | ||||
| 型式 | 個数 | ||||||||||||||||||||
| SN3024 | 110 | 112 | 380 | 110 | 40 | 150 | 217 | 320 | 26 | 32 | 180 | 56 | M20 | M24 | 23024BK | H3024X | SR180×10 | 1 | ZF24 | 2 | 17 |
| SN3026 | 115 | 125 | 410 | 120 | 45 | 160 | 240 | 350 | 26 | 32 | 200 | 62 | M20 | M24 | 23026BK | H3026 | SR200×10 | 1 | ZF26 | 2 | 20 |
| SN3028 | 125 | 140 | 410 | 120 | 45 | 170 | 260 | 350 | 26 | 32 | 210 | 63 | M20 | M24 | 23028BK | H3028 | SR210×10 | 1 | ZF28 | 2 | 25 |
| SN3030 | 135 | 150 | 445 | 130 | 50 | 175 | 283 | 380 | 28 | 36 | 225 | 66 | M24 | M24 | 23030BK | H3030 | SR225×10 | 1 | ZF30 | 2 | 30 |
| SN3032 | 140 | 150 | 460 | 130 | 50 | 190 | 290 | 390 | 28 | 36 | 240 | 70 | M24 | M24 | 23032BK | H3032 | SR240×10 | 1 | ZF32 | 2 | 37 |
| SN3034 | 150 | 160 | 530 | 160 | 60 | 200 | 310 | 450 | 33 | 42 | 260 | 77 | M24 | M30 | 23034BK | H3034 | SR260×10 | 1 | ZF34 | 2 | 46 |
| SN3036 | 160 | 170 | 550 | 160 | 60 | 210 | 330 | 470 | 33 | 42 | 280 | 84 | M24 | M30 | 23036BK | H3036 | SR280×10 | 1 | ZF36 | 2 | 50 |
| SN3038 | 170 | 170 | 550 | 160 | 60 | 210 | 335 | 470 | 33 | 42 | 290 | 85 | M24 | M30 | 23038BK | H3038 | SR290×10 | 1 | ZF38 | 2 | 52 |
| SN3122 | 100 | 112 | 380 | 110 | 40 | 155 | 217 | 320 | 26 | 32 | 180 | 66 | M20 | M24 | 23122BK | H3122X | SR180×10 | 1 | ZF22 | 2 | 18 |
| SN3124 | 110 | 125 | 410 | 120 | 45 | 165 | 240 | 350 | 26 | 32 | 200 | 72 | M20 | M24 | 23124BK | H3124X | SR200×10 | 1 | ZF24 | 2 | 21 |
| 型式 | 商品コード | 単位 |
価格 (円) |
基準納期 | |
|---|---|---|---|---|---|
| 日伝 | メーカー | ||||
| SN3024 | SN3024 | P | 51,500 | - | - |
| SN3026 | SN3026 | P | 60,000 | - | - |
| SN3028 | SN3028 | P | 69,000 | - | - |
| SN3030 | SN3030 | P | 87,000 | - | - |
| SN3032 | SN3032 | P | 97,000 | - | - |
| SN3034 | SN3034 | P | 120,000 | - | - |
| SN3036 | SN3036 | P | 135,000 | - | - |
| SN3038 | SN3038 | P | 145,000 | - | - |
| SN3122 | SN3122 | P | 54,000 | - | - |
| SN3124 | SN3124 | P | 62,500 | - | - |
関連製品
この製品を見た人はこのような製品も見ています
製品についてのご質問やお困りごとなどお気軽にご相談ください!
Loading...

