1W/B
-
1W/B
-
2W/B
-
3W/B
建設機械・産業車両を始め、様々な産業用油圧機器にご使用いただけます。
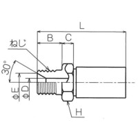
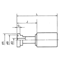
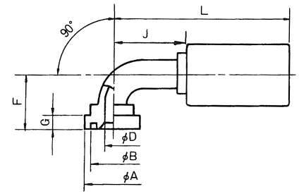
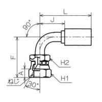
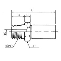
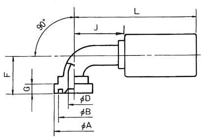
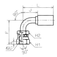
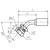
・金具は7.0~34.5MPaまで圧力に係らず同一金具で、ホースとの組合せが分かりやすく、在庫の圧縮が可能です。
・従来にはなかったノンスカイブ方式でASSY出来ますので、バフ時の削り粉が出ず、クリーンな状態を維持できます。また金具はニップルとソケットが一体になった1ピースタイプですので、アセンブリ作業が簡略になりました。
・地球環境に優しい部材を使用しています。
共通仕様
| 内面ゴム | 耐油性合成ゴム |
|---|---|
| 補強層 | 硬鋼線 |
| 外面ゴム | 耐油・耐候性合成ゴム |
| 適用流体 | 一般鉱物性作動油 |
| 温度範囲 | -40℃~+100℃ |

