モノづくりの困ったを解決する総合サイト
TOK
タイプ9
タイプ10
タイプ11
タイプ12
タイプ13
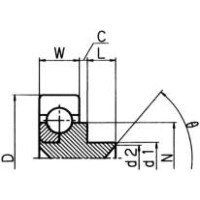
樹脂ベアリング Dシリーズ DR-H(外周フラット・標準タイプ)
樹脂ベアリング Dシリーズ DR-B(外周フラット・ネジ軸タイプ)
樹脂ベアリング Dシリーズ DF(片側フランジ)
樹脂ベアリング Dシリーズ DO(外周凸R)
樹脂ベアリング Dシリーズ DU(外周U溝)
製品についてのご質問やお困りごとなどお気軽にご相談ください!
1952年設立で、動力伝導機器・産業機器・制御機器等の機械設備及び機械器具関連製品の販売をしている専門総合商社です。 日本国内で40以上の拠点を持ち、信頼性の高い製品と技術力で、全国のものづくりに携わる方々のあらゆるお困りごとを解決しています。
まだ会員登録をお済みでない方は
MEKASYS会員の方は
※パスワードを忘れた場合はコチラ