USP
-
USP
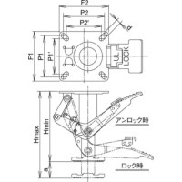
簡単・確実に台車をロック&アンロック
・ロックペダル、アンロックペダルを踏み込むだけで、簡単・確実に台車の移動をロック&アンロックできます。
・ペダルの角を丸くすることでけがをする危険を低減しました。
・ペダルサイズを大きくすることで、つま先での踏み込みがラクになりました。
共通仕様
| 材質 | 鋼板製 |
|---|
岐阜産研工業
USP
USP
・ロックペダル、アンロックペダルを踏み込むだけで、簡単・確実に台車の移動をロック&アンロックできます。
・ペダルの角を丸くすることでけがをする危険を低減しました。
・ペダルサイズを大きくすることで、つま先での踏み込みがラクになりました。
| 材質 | 鋼板製 |
|---|
3件の型式
| 型式 |
適正 取付高さ |
高さ |
ストローク a |
最大荷重 (daN) |
トップ プレート F1/F2 |
取付穴ピッチ P1/P2 (P1'/P2') |
取付 穴径 d |
自重 (kg) |
|
|---|---|---|---|---|---|---|---|---|---|
| ロック時 Hmax | アンロック時 Hmax | ||||||||
| USP-100 | 142 | 150 | 125 | 25 | 196 | 120/120 | 100/100(85/85) | 11 | 1400 |
| USP-150 | 202 | 210 | 170 | 40 | 294 | 120/120 | 100/100(85/85) | 11 | 1800 |
| USP-200 | 240 | 248 | 200 | 48 | 343 | 120/120 | 100/100(85/85) | 11 | 2000 |
| 型式 | 商品コード | 単位 |
価格 (円) |
基準納期 | |
|---|---|---|---|---|---|
| 日伝 | メーカー | ||||
| USP-100 | USP-100 | P | 5,470 | - | 在庫品 |
| USP-150 | USP-150 | P | 6,300 | - | 在庫品 |
| USP-200 | USP-200 | P | 7,330 | - | 在庫品 |
製品についてのご質問やお困りごとなどお気軽にご相談ください!