・六角棒スパナで締めつけるので、頭部を埋め込み式にしても使用できます。合金鋼に熱処理を施し強度を高くして有ります。メッキはして有りません。
・金型、機械、車両等の一般的な締めつけに用い、六角ボルトより強度が必要な締結に用います。常に油のかかる環境下か耐食性を必要としない場所に使用します。
共通仕様
| シリーズ | 六角穴付ボルト(キャップ) |
|---|---|
| 材質 | SCM435 |
| 表面処理 | 黒色酸化皮膜 |
YHT
・六角棒スパナで締めつけるので、頭部を埋め込み式にしても使用できます。合金鋼に熱処理を施し強度を高くして有ります。メッキはして有りません。
・金型、機械、車両等の一般的な締めつけに用い、六角ボルトより強度が必要な締結に用います。常に油のかかる環境下か耐食性を必要としない場所に使用します。
| シリーズ | 六角穴付ボルト(キャップ) |
|---|---|
| 材質 | SCM435 |
| 表面処理 | 黒色酸化皮膜 |
1107件の型式
| 型式 |
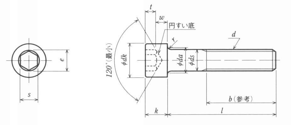
ねじの 呼び d |
l (mm) |
入数 |
b 参考 (mm) |
dk(mm) | ds(mm) |
e 最小 (mm) |
k(mm) | s(mm) |
t 最小 (mm) |
w 最小 (mm) |
|||||||
|---|---|---|---|---|---|---|---|---|---|---|---|---|---|---|---|---|---|---|
| 最大 (基準寸法) | 最大 | 最小 | 最大 (基準寸法) | 最小 | 最大 (基準寸法) | 最小 | 呼び (基準寸法) | 最小 | 最大 | |||||||||
| 1欄 | 2欄 | |||||||||||||||||
| CBMB2-4-10 | M2 | 4 | 10 | 16 | 3.8 | 3.98 | 3.62 | 2 | 1.86 | 1.73 | 2 | 1.86 | 1.5 | 1.52 | 1.560 | 1.545 | 1 | 0.55 |
| CBMB2-4-100 | M2 | 4 | 100 | 16 | 3.8 | 3.98 | 3.62 | 2 | 1.86 | 1.73 | 2 | 1.86 | 1.5 | 1.52 | 1.560 | 1.545 | 1 | 0.55 |
| CBMB2-5-10 | M2 | 5 | 10 | 16 | 3.8 | 3.98 | 3.62 | 2 | 1.86 | 1.73 | 2 | 1.86 | 1.5 | 1.52 | 1.560 | 1.545 | 1 | 0.55 |
| CBMB2-5-100 | M2 | 5 | 100 | 16 | 3.8 | 3.98 | 3.62 | 2 | 1.86 | 1.73 | 2 | 1.86 | 1.5 | 1.52 | 1.560 | 1.545 | 1 | 0.55 |
| CBMB2-6-10 | M2 | 6 | 10 | 16 | 3.8 | 3.98 | 3.62 | 2 | 1.86 | 1.73 | 2 | 1.86 | 1.5 | 1.52 | 1.560 | 1.545 | 1 | 0.55 |
| CBMB2-6-100 | M2 | 6 | 100 | 16 | 3.8 | 3.98 | 3.62 | 2 | 1.86 | 1.73 | 2 | 1.86 | 1.5 | 1.52 | 1.560 | 1.545 | 1 | 0.55 |
| CBMB2-8-10 | M2 | 8 | 10 | 16 | 3.8 | 3.98 | 3.62 | 2 | 1.86 | 1.73 | 2 | 1.86 | 1.5 | 1.52 | 1.560 | 1.545 | 1 | 0.55 |
| CBMB2-8-100 | M2 | 8 | 100 | 16 | 3.8 | 3.98 | 3.62 | 2 | 1.86 | 1.73 | 2 | 1.86 | 1.5 | 1.52 | 1.560 | 1.545 | 1 | 0.55 |
| CBMB2-10-10 | M2 | 10 | 10 | 16 | 3.8 | 3.98 | 3.62 | 2 | 1.86 | 1.73 | 2 | 1.86 | 1.5 | 1.52 | 1.560 | 1.545 | 1 | 0.55 |
| CBMB2-10-100 | M2 | 10 | 100 | 16 | 3.8 | 3.98 | 3.62 | 2 | 1.86 | 1.73 | 2 | 1.86 | 1.5 | 1.52 | 1.560 | 1.545 | 1 | 0.55 |
| 型式 | 商品コード | 単位 |
価格 (円) |
基準納期 | |
|---|---|---|---|---|---|
| 日伝 | メーカー | ||||
| CBMB2-4-10 | CBMB2-4-10 | C | 320 | - | 在庫品 |
| CBMB2-4-100 | CBMB2-4-100 | C | 2,120 | - | 在庫品 |
| CBMB2-5-10 | CBMB2-5-10 | C | 260 | - | 在庫品 |
| CBMB2-5-100 | CBMB2-5-100 | C | 1,800 | - | 在庫品 |
| CBMB2-6-10 | CBMB2-6-10 | C | 260 | - | 在庫品 |
| CBMB2-6-100 | CBMB2-6-100 | C | 1,800 | - | 在庫品 |
| CBMB2-8-10 | CBMB2-8-10 | C | 260 | - | 在庫品 |
| CBMB2-8-100 | CBMB2-8-100 | C | 1,800 | - | 在庫品 |
| CBMB2-10-10 | CBMB2-10-10 | C | 260 | - | 在庫品 |
| CBMB2-10-100 | CBMB2-10-100 | C | 1,830 | - | 在庫品 |
製品についてのご質問やお困りごとなどお気軽にご相談ください!