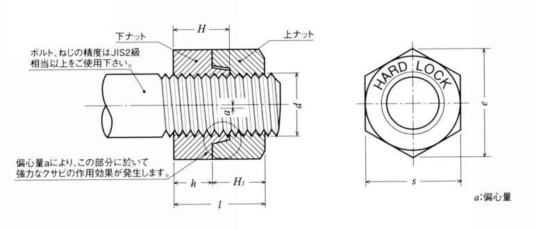
・雄雌のナットで構成され、雄ナットを締付けナットとして、雌ナットをロックナットとして使用します。雄ナット凸部が偏芯していて締付けるとクサビ効果が発生します。着脱を繰り返してもゆるみ止め機能を維持します。ステンレスなので耐食性、耐熱性に優れています。
・おねじに締め付け、締結、固定に使用します。特に緩み止めに効果が有ります。耐食性に優れていますので、湿気の多い場所、屋外にある物に使用します。但し塩素環境や海岸近く等の塩分環境下での使用には適しません。
共通仕様
| シリーズ | ゆるみ止めナット |
|---|---|
| 材質 | SUS304相当 |
| 表面処理 | 生地 |

