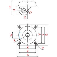
HGL-32GNB
-
HGL-32GNB
■低床重荷重向け(ショートスター)
・超低床で支える、縁の下の力持ち。
・重積載にも強い頑強さをもつハイスペックモデル。
■自在車
・旋回部と車輪が回転するキャスターです。
■プレート式
・取付座がプレート状となっており、ねじやボルトで取付けるタイプのキャスター。
■シングルベアリング(軸受一段構造タイプ)
・旋回部に軸受に鋼球を配し、スムーズな旋回が可能な構造です。
・一段構造の軸受で、シンプルな構造です。
■三価ユニクロ仕上
・環境対応の皮膜処理(三価クロム化成処理)で、ユニクロは青白い光沢のある色調仕上です。

