SJF-100NRS
-
SJF-100NRS
-
SJF-100NRS-G
■低騒音仕様(サイレントスター)
・静かでスムーズな走行性能。
・高精度ベアリング内蔵により静粛性能を高めたハイグレードモデル。
・オフィス、病院、図書館など、静かな環境に最適なキャスターです。
■ラジアルベアリングによる高い静粛性と始動性
・旋回部、車輪回転部にラジアルベアリングを採用。
・旋回始動性能の向上とともに、高い静粛性を実現したキャスターです。
・従来品に比べて騒音レベルを10db低減しています。
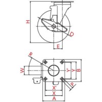
■自在車
・旋回部と車輪が回転するキャスターです。
■プレート式
・取付座がプレート状となっており、ねじやボルトで取付けるタイプのキャスター。
■シングルストッパー
・車輪の回転のみをロックするストッパーです。
■三価ユニクロ仕上
・環境対応の皮膜処理(三価クロム化成処理)で、ユニクロは青白い光沢のある色調仕上です。

