FSPJU
-
FSPJU
・最強のオルダム。
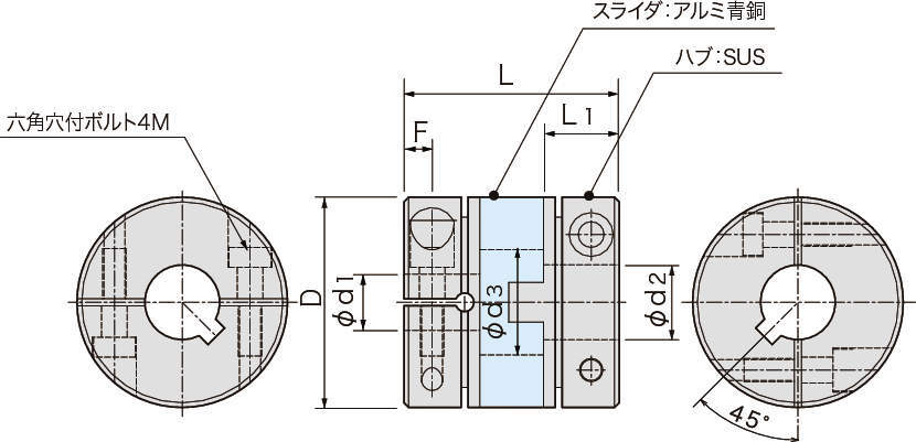
・ステンレス製ハブとアルミ青銅製スライダの組み合わせ:オールメタルのオルダムカップリング。
・スライダ部の最小スキマに高粘度樹脂被膜を張り、焼付防止とバックラッシュゼロ対策の両立。
・許容トルクの4倍の衝撃トルクでも破損しません。
【オルダムカップリング】
・小型で大トルクに対応
・組付け時に分解可能
・オルダムカップリングは、ハブの突起とスライダの溝とが滑ることで、主に偏心を吸収します。
・小径の割に大きなトルクを負荷できるのが特徴ですが、大きなトルクと偏心とが同時に負荷されると、スライダ溝が摩耗してバックラッシュの増大を引き起こすことがあります。
・金属スライダでは特にこの傾向が強く、摩耗によるバックラッシュ増大を嫌う場合は、偏心を十分に小さく抑える必要があります。

