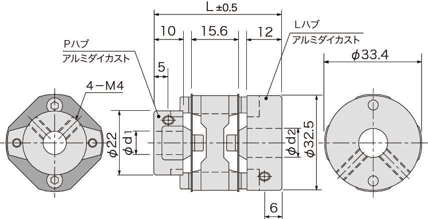
C1S
-
C1S
・φ6~φ16の大幅、異径サイズ対応
・ハブ、中間に高力アルミダイカスト採用、ニッケルメッキ仕上げ
・ディスクはカーボンFRP製、厚さ(0.4、0.6、0.8)の3種から選択可能
・金属ディスク形に比べて偏心、偏角、振動等の許容性、耐久性大
【ディスク型カップリング】
・バックラッシュゼロ
・スムーズな回転伝達
・あらゆる用途にある豊富なバリエーション
・ディスク型カップリングはディスク(プレート)の変形で偏心や偏角を吸収するフレキシブルカップリングの一種です。

