・サイズが豊富で、多種多様なワークに対応できます。
・小型でも強力な吸着力が確保できます。
・連続使用が可能です。
共通仕様
| 用途 | ・積み上げられた鉄板の一枚吸着 ・プレス成形品の吸着 ・小物部品などランダムワークの一括吸着 ・ブランク材など円形ワークの吸着 ・リング形状ワークの吸着 ・ベルトコンベアのベルト裏に設置しワーク移送サポート ・アングル、チャンネル材などの吸着 ・プレート材など平板の吸着搬送や保持に |
|---|
フジタ
・サイズが豊富で、多種多様なワークに対応できます。
・小型でも強力な吸着力が確保できます。
・連続使用が可能です。
| 用途 | ・積み上げられた鉄板の一枚吸着 ・プレス成形品の吸着 ・小物部品などランダムワークの一括吸着 ・ブランク材など円形ワークの吸着 ・リング形状ワークの吸着 ・ベルトコンベアのベルト裏に設置しワーク移送サポート ・アングル、チャンネル材などの吸着 ・プレート材など平板の吸着搬送や保持に |
|---|
13件の型式
| 型式 | タイプ |
最大吸着力 (N) |
電圧 (V) |
電流 (A) |
使用率 (%ED) |
寸法 (mm) |
重量 (Kg) |
||||||
|---|---|---|---|---|---|---|---|---|---|---|---|---|---|
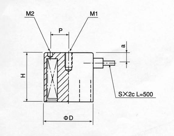
| φD | H | M1 | M2 | P | a | S | |||||||
| FSGP-40D | 薄型 | 220 | DC24 | 0.12 | 100 | 40 | 25 | M6深12 | φ4深2.5 | 15 | 8.5 | 0.5 | 0.19 |
| FSGP-50D | 薄型 | 350 | DC90 | 0.15 | 100 | 50 | 40 | M8深15 | φ5深4 | 18 | 9.5 | 0.5 | 0.45 |
| FSGP-60D | 薄型 | 600 | DC90 | 0.2 | 100 | 60 | 40 | M8深15 | φ5深4 | 20 | 12 | 1.25 | 0.7 |
・最大吸着力は、材質SS400 板厚10mm 研削仕上面のプレートで吸着面全面吸着での最大値です。
| 型式 | 商品コード | 単位 |
価格 (円) |
基準納期 | |
|---|---|---|---|---|---|
| 日伝 | メーカー | ||||
| FSGP-40D | FSGP-40D | P | 20,400 | - | 4日間 |
| FSGP-50D | FSGP-50D | P | 30,300 | - | 4日間 |
| FSGP-60D | FSGP-60D | P | 37,000 | - | 4日間 |
製品についてのご質問やお困りごとなどお気軽にご相談ください!