モノづくりの困ったを解決する総合サイト

Produced by

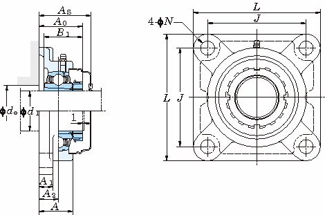
インサート軸受ユニット|角フランジ形 UKF(テーパ穴・カバー付き)

UKF

  • UKF

・写真はカバーなしの写真です。
・カバー取付溝付タイプに、カバーは付属していません。

■軸受ユニット:UKFタイプ
・UKFは四角形のフランジで4つの取り付け穴を持つ軸受箱を組み合わせたユニットです。
・機械側面など垂直面に取り付けて使用します。

■インサート軸受:UK形
・UK形軸受は給油機構を備え球状外径面の外輪とテーパ穴内輪を持つ、シールとスリンガが付くグリース密封形深溝玉軸受です。
・アダプタスリーブを用いて軸に固定するタイプです。
・アダプタスリーブが軸の全周を包み込んで確実に固定します。

■インサート軸受:UK-L3形
・UK-L3形軸受は三重シールを用いた防塵性能に優れた軸受です。
・鉄板の裏側に3つのリップに成形されたニトリルゴムを焼付けたシールで外輪にかしめられています。
・低速から中速の回転で塵埃に対応する軸受です。

#ベアリングユニット

共通仕様

適用グリースニップル 205~210・X05~X09・305~308:A-1/4-28UNF
211~218・X10~X20・309~328:A-PT1/8

詳細仕様

  • 582件中 21-30件

  • 表示件数

582件の型式

型式 タイプ 軸径
d1
(mm)
寸法(mm) カバー寸法(mm) 取付け
ボルト
の呼び
適用
軸受箱
適用軸受 適用
アダプタ
参考
ユニット質量
(kg)
軸受箱 軸受 L A J N A1 A2 A0 B1 de(最小) As Ac 呼び番号 基本定格荷重(kN) 係数f0
Cr C0r
UKF216C 鋼板カバー付(貫通形) テーパ穴(普通品) 70 208 58 165 23 22 34 72 59 90 88 - M20 F216 UK216 72.7 53.0 14.6 H2316X 7.6
UKFX16C 鋼板カバー付(貫通形) テーパ穴(普通品) 70 214 70 171 23 24 40 79 78 90 96 - M20 FX16 UKX16 84.0 61.9 14.5 H2316X 9.5
UKF217C 鋼板カバー付(貫通形) テーパ穴(普通品) 75 220 63 175 23 24 36 76 63 96 92 - M20 F217 UK217 84.0 61.9 14.5 H2317X 9.0
UKFX17C 鋼板カバー付(貫通形) テーパ穴(普通品) 75 214 70 171 23 24 40 82 82 96 101 - M20 FX17 UKX17 96.1 71.5 14.5 H2317X 10.4
UKF218C 鋼板カバー付(貫通形) テーパ穴(普通品) 80 235 68 187 23 25 40 82 65 102 101 - M20 F218 UK218 96.1 71.5 14.5 H2318X 11.4
UKF206CL3 鋼板カバー付(貫通形) テーパ穴(三重シール品) 25 108 31 83 12 13 18 37.5 31 36 44 - M10 F206 UK206 19.5 11.3 13.9 H2306X -
UKF207CL3 鋼板カバー付(貫通形) テーパ穴(三重シール品) 30 117 34 92 14 15 19 41 35 41 49 - M12 F207 UK207 25.7 15.4 13.9 H2307X -
UKF208CL3 鋼板カバー付(貫通形) テーパ穴(三重シール品) 35 130 36 102 16 15 21 44.5 36 46 55 - M14 F208 UK208 29.1 17.8 14.0 H2308X -
UKF209CL3 鋼板カバー付(貫通形) テーパ穴(三重シール品) 40 137 38 105 16 16 22 47.5 39 52 56 - M14 F209 UK209 34.1 21.3 14.0 H2309X -
UKF210CL3 鋼板カバー付(貫通形) テーパ穴(三重シール品) 45 143 40 111 16 16 22 48.5 42 58 59 - M14 F210 UK210 35.1 23.3 14.4 H2310X -

型式 商品コード 単位 価格
(円)
基準納期
日伝 メーカー
UKF216C UKF216C P 41,780 - 在庫品
UKFX16C UKFX16C P 60,070 - お問合
UKF217C UKF217C P 51,770 - お問合
UKFX17C UKFX17C P 68,000 - お問合
UKF218C UKF218C P 64,500 - お問合
UKF206CL3 UKF206CL3 P 7,220 - -
UKF207CL3 UKF207CL3 P 8,330 - -
UKF208CL3 UKF208CL3 P 10,010 - -
UKF209CL3 UKF209CL3 P 11,140 - -
UKF210CL3 UKF210CL3 P 13,070 - -

関連製品

この製品を見た人はこのような製品も見ています

1952年設立で、動力伝導機器・産業機器・制御機器等の機械設備及び機械器具関連製品の販売をしている専門総合商社です。
日本国内で40以上の拠点を持ち、信頼性の高い製品と技術力で、全国のものづくりに携わる方々のあらゆるお困りごとを解決しています。

Loading...