UFL
-
UFL
・写真はカバーなしの写真です。
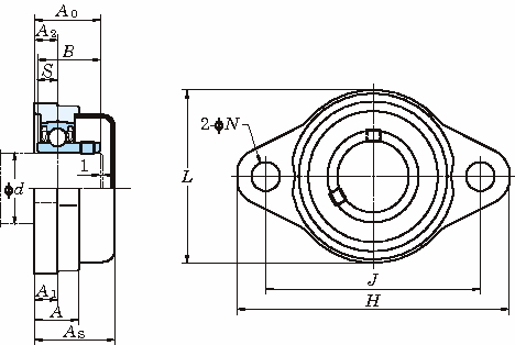
■軸受ユニット:UFLタイプ
・UFLは軽量形軸受と錆に強い亜鉛合金ダイカスト軸受箱の小形・軽量のひし形ユニットです。
■インサート軸受:SU形
・SU形軸受はSB形軸受をさらに軽量化した球状外径面の外輪と円筒穴の止めねじ付き広幅内輪を持つ、無給油式のグリース密封形深溝玉軸受です。
・120度の間隔に配置された2個の内輪の止めねじで簡単で確実に軸に取り付けることの出来る軽荷重用の軽量な軸受です。

