モノづくりの困ったを解決する総合サイト

Produced by

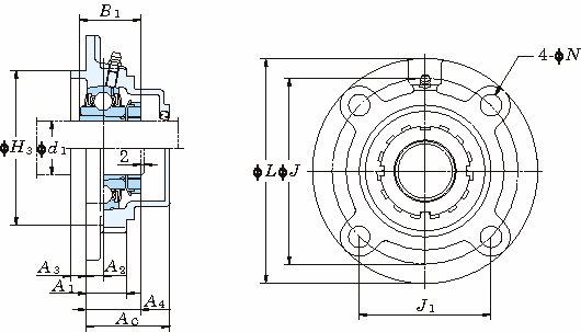
インサート軸受ユニット|印ろう付き丸フランジ形 UKFC(テーパ穴・カバー付き)

UKFC

  • UKFC

・写真はカバーなしの写真です。
・カバー取付溝付タイプに、カバーは付属していません。

■軸受ユニット:UKFC形
・UKFCは丸形のフランジおよび取付け面に印ろうを持つ軸受箱で印ろう部を機械本体の取付け穴にはめ込むことで、軸受箱を正確な位置に取付けることが出来ます。

■インサート軸受:UK形
・UK形軸受は給油機構を備え球状外径面の外輪とテーパ穴内輪を持つ、シールとスリンガが付くグリース密封形深溝玉軸受です。
・アダプタスリーブを用いて軸に固定するタイプです。
・アダプタスリーブが軸の全周を包み込んで確実に固定します。

■インサート軸受:UK-L3形
・UK-L3形軸受は三重シールを用いた防塵性能に優れた軸受です。
・鉄板の裏側に3つのリップに成形されたニトリルゴムを焼付けたシールで外輪にかしめられています。
・低速から中速の回転で塵埃に対応する軸受です。

#ベアリングユニット

共通仕様

適用グリースニップル 205~210・X05~X09:A-1/4-28UNF
211~218・X10~X20:A-PT1/8

詳細仕様

  • 428件中 21-30件

  • 表示件数

428件の型式

型式 タイプ 軸径
d1
(mm)
寸法(mm) カバー寸法(mm) 取付け
ボルト
の呼び
適用
軸受箱
適用軸受 適用
アダプタ
参考
ユニット質量
(kg)
軸受箱 軸受 L H3 J J1 N(±0.2) A1 A2 A3 A4 B1 As Ac 呼び番号 基本定格荷重(kN) 係数f0
Cr C0r
UKFC216C 鋼板カバー付(貫通形) テーパ穴(普通品) 70 240 170 200 141.4 23 42 18 16 56 59 72 - M20 FC216 UK216 72.7 53.0 14.6 H2316X 9.0
UKFCX16C 鋼板カバー付(貫通形) テーパ穴(普通品) 70 260 186 219 154.8 23 36 10 25 49 78 66 - M20 FCX16 UKX16 84.0 61.9 14.5 H2316X 11.4
UKFC217C 鋼板カバー付(貫通形) テーパ穴(普通品) 75 250 180 208 147.1 23 45 18 18 58 63 74 - M20 FC217 UK217 84.0 61.9 14.5 H2317X 10.4
UKFCX17C 鋼板カバー付(貫通形) テーパ穴(普通品) 75 260 186 219 154.8 23 36 10 25 52 82 71 - M20 FCX17 UKX17 96.1 71.5 14.5 H2317X 12.6
UKFC218C 鋼板カバー付(貫通形) テーパ穴(普通品) 80 265 190 220 155.5 23 50 22 18 64 65 83 - M20 FCX05 UK218 96.1 71.5 14.5 H2318X 13.3
UKFC206CL3 鋼板カバー付(貫通形) テーパ穴(三重シール品) 25 125 80 100 70.7 12 23 10 8 29.5 31 36 - M10 FC206 UK206 19.5 11.3 13.9 H2306X -
UKFC207CL3 鋼板カバー付(貫通形) テーパ穴(三重シール品) 30 135 90 110 77.8 14 26 11 8 33 35 41 - M12 FC207 UK207 25.7 15.4 13.9 H2307X -
UKFC208CL3 鋼板カバー付(貫通形) テーパ穴(三重シール品) 35 145 100 120 84.8 14 26 11 10 34.5 36 45 - M12 FC208 UK208 29.1 17.8 14.0 H2308X -
UKFC209CL3 鋼板カバー付(貫通形) テーパ穴(三重シール品) 40 160 105 132 93.3 16 26 10 12 35.5 39 44 - M14 FC209 UK209 34.1 21.3 14.0 H2309X -
UKFC210CL3 鋼板カバー付(貫通形) テーパ穴(三重シール品) 45 165 110 138 97.6 16 28 10 12 36.5 42 47 - M14 FC210 UK210 35.1 23.3 14.4 H2310X -

型式 商品コード 単位 価格
(円)
基準納期
日伝 メーカー
UKFC216C UKFC216C P 45,380 - 4日間
UKFCX16C UKFCX16C P 60,770 - 4日間
UKFC217C UKFC217C P 53,870 - お問合
UKFCX17C UKFCX17C P 69,400 - 4日間
UKFC218C UKFC218C P 67,700 - お問合
UKFC206CL3 UKFC206CL3 P 7,900 - -
UKFC207CL3 UKFC207CL3 P 9,040 - -
UKFC208CL3 UKFC208CL3 P 10,890 - -
UKFC209CL3 UKFC209CL3 P 12,880 - -
UKFC210CL3 UKFC210CL3 P 14,470 - -

関連製品

この製品を見た人はこのような製品も見ています

1952年設立で、動力伝導機器・産業機器・制御機器等の機械設備及び機械器具関連製品の販売をしている専門総合商社です。
日本国内で40以上の拠点を持ち、信頼性の高い製品と技術力で、全国のものづくりに携わる方々のあらゆるお困りごとを解決しています。

Loading...