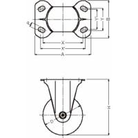
400SR-RB75
-
400SR-RB75
-
400SR-RB100
-
400SR-N125
-
400SR-UB200
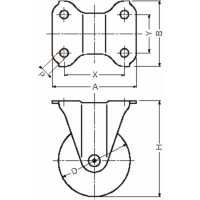
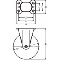
・旋回式キャスター400S/419Sと併用できる高品質な固定式キャスターです。
・車輪はラジアルボールベアリング入りです。(車輪径75mm)
・400SR-200mmは取付け高さ(Hmm)250mmも製作できます。【H250】と別途ご用命ください。
・スチール製
・RoHS適合品
<使用例>
・機械の移動や重量物運搬用として多く使用されています。(車輪径100ー200mm)

