モノづくりの困ったを解決する総合サイト

Produced by

ハンマーキャスター

ハンマーキャスター(静タイプ) 940SER・935SER

940SER-FR100

  • 940SER-FR100

  • 935SER-UZ100

耐蝕性、耐水性に優れたオールステンレス製! クッションキャスターEタイプ

・凹凸路面での振動や衝撃を吸収すると同時に騒音を軽減した「静」機構のオールステンレスクッションキャスターです。

・ステンレス製

・RoHS適合品

<使用例>
・クリーンルームや病院等の振動や衝撃をきらう環境で使用される半導体関連機器・精密機器及び医療機器に最適です。

#キャスター

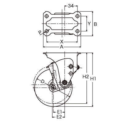
詳細仕様

  • 32件中 21-30件

  • 表示件数

32件の型式

型式 タイプ 車輪径
D
(mm)
車幅
(mm)
車輪構成 円錐バネ
線径
(mm)
設定荷重
(daN/1個)
取付高
H1~H2
(mm)
取付座
A×B
(mm)
取付寸法
X×Y
(mm)
取付穴径
P
(mm)
V
(mm)
K
(mm)
偏心
E1~E2
(mm)
使用車輪記号
935SER-FR125S-20 固定・ストッパー付き 125 27 ゴム車輪 ナイロンホイール ラジアルボールベアリング 2 6 169~160 100×65 82×40 8.8 135~126 54~25 34~39 434S0E-FR
935SER-FR125S-23 固定・ストッパー付き 125 27 ゴム車輪 ナイロンホイール ラジアルボールベアリング 2.3 12 169~160 100×65 82×40 8.8 135~126 54~25 34~39 434S0E-FR
935SER-FR125S-28 固定・ストッパー付き 125 27 ゴム車輪 ナイロンホイール ラジアルボールベアリング 2.8 18 169~160 100×65 82×40 8.8 135~126 54~25 34~39 434S0E-FR
935SER-FR125S-32 固定・ストッパー付き 125 27 ゴム車輪 ナイロンホイール ラジアルボールベアリング 3.2 24 169~160 100×65 82×40 8.8 135~126 54~25 34~39 434S0E-FR
935SER-UZ100S-20 固定・ストッパー付き 100 27 ウレタン車輪(熱可塑性) ナイロンホイール ラジアルボールベアリング 2 6 143~135 100×65 82×40 8.8 120~110 55~25 30~33 429S0E-UZ
935SER-UZ100S-23 固定・ストッパー付き 100 27 ウレタン車輪(熱可塑性) ナイロンホイール ラジアルボールベアリング 2.3 12 143~135 100×65 82×40 8.8 120~110 55~25 30~33 429S0E-UZ
935SER-UZ100S-28 固定・ストッパー付き 100 27 ウレタン車輪(熱可塑性) ナイロンホイール ラジアルボールベアリング 2.8 18 143~135 100×65 82×40 8.8 120~110 55~25 30~33 429S0E-UZ
935SER-UZ100S-32 固定・ストッパー付き 100 27 ウレタン車輪(熱可塑性) ナイロンホイール ラジアルボールベアリング 3.2 24 143~135 100×65 82×40 8.8 120~110 55~25 30~33 429S0E-UZ
935SER-UZ125S-20 固定・ストッパー付き 125 27 ウレタン車輪(熱可塑性) ナイロンホイール ラジアルボールベアリング 2 6 169~160 100×65 82×40 8.8 135~126 54~25 34~39 429S0E-UZ
935SER-UZ125S-23 固定・ストッパー付き 125 27 ウレタン車輪(熱可塑性) ナイロンホイール ラジアルボールベアリング 2.3 12 169~160 100×65 82×40 8.8 135~126 54~25 34~39 429S0E-UZ

型式 商品コード 単位 価格
(円)
基準納期
日伝 メーカー
935SER-FR125S-20 935SER-FR125S-20 P 17,000 - 5日間
935SER-FR125S-23 935SER-FR125S-23 P 17,000 - 5日間
935SER-FR125S-28 935SER-FR125S-28 P 17,000 - 5日間
935SER-FR125S-32 935SER-FR125S-32 P 17,000 - 5日間
935SER-UZ100S-20 935SER-UZ100S-20 P 14,700 - 5日間
935SER-UZ100S-23 935SER-UZ100S-23 P 14,700 - 5日間
935SER-UZ100S-28 935SER-UZ100S-28 P 14,700 - 5日間
935SER-UZ100S-32 935SER-UZ100S-32 P 14,700 - 5日間
935SER-UZ125S-20 935SER-UZ125S-20 P 17,000 - 5日間
935SER-UZ125S-23 935SER-UZ125S-23 P 17,000 - 5日間

この製品を見た人はこのような製品も見ています

1952年設立で、動力伝導機器・産業機器・制御機器等の機械設備及び機械器具関連製品の販売をしている専門総合商社です。
日本国内で40以上の拠点を持ち、信頼性の高い製品と技術力で、全国のものづくりに携わる方々のあらゆるお困りごとを解決しています。

Loading...