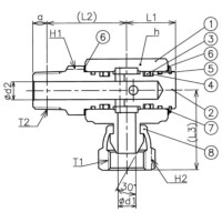
SJS
-
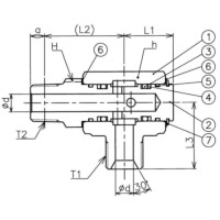
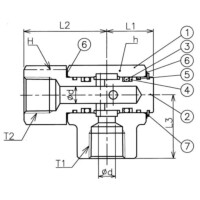
SJS
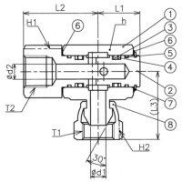
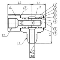
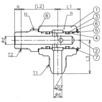
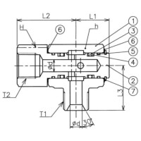
■コンパクト、低トルクタイプを実現した油圧用のスイベルジョイントです。
■エルボタイプ
■構造を簡単にした汎用タイプです
■作動油を使用し油圧を伝える土木建設機械、工作機械及び一般産業機器の配管に広く使われています。
・特に、油圧の圧力配管に使用され、低速回転や揺動(往復回転運動)が出来る継手です。
■主に固定配管と高圧ホース連結に使用され、ホースの無理な取付防止や捩れ防止に役立ちます。

