NTB
-
NTB
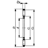
・スラストニードルベアリングは、精密プレス加工された保持器ところを組み合わせた、小さなスペースで大きな負荷能力を持つ剛性の高い軸受です。
・この軸受は針状ころを使用したスラストニードルベアリングです。
・機械の軸受取付面が熱処理・研削仕上げされ、軌道溝として使用できる場合は、軌道輪なしで使用でき一層コンパクトになります。
・この軸受は、鋼板を精密プレス加工し表面硬化した保持器と直径の相互差2μm以下の針状ころとの組合せで、剛性が高く潤滑油の保持容量が大きい構造です。
・スラストベアリングのなかで断面積が最も小さいため、従来のスラスト座金に代えて使用すれば、小さい摩擦係数で、高速回転に耐えることができます。
・この軸受な内径案内で使用するのが一般的です。
・高速回転、変動荷重にも適することから自動車の駆動機構、工作機械、高圧ポンプなどの高精度を要求する箇所に最適です。

