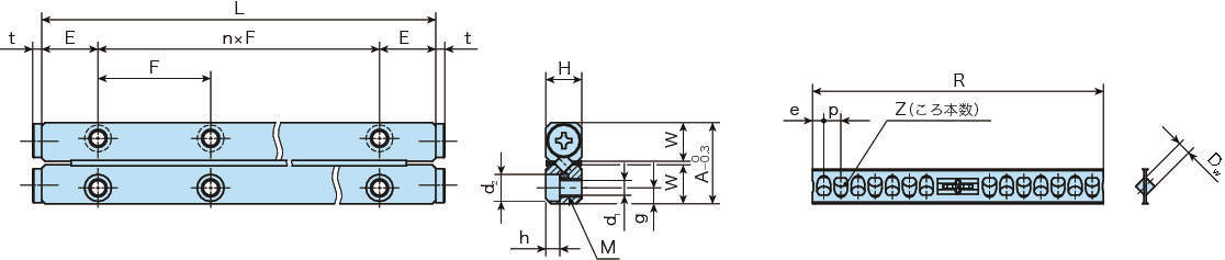
・V字形状の2平面を軌道溝とした2本の軌道台の間に円筒ころを交互に直行させた保持器付き円筒ころを組み込んでいるため、あらゆる方向の荷重を受けることができます。
・独自設計のラック&ピニオン機構をコンパクトに内蔵しているため、保持器ずれの心配がなく、高速・高タクト運転や立軸使用でも安心です。
・CRWGの軌道接触部の仕様を徹底的に見直し、大幅な定格荷重アップを実現しているため、機械・装置のコンパクト化や長寿命化が可能です。
・4本の軌道台と保持器付き円筒ころ2組を合わせて1セットです。
・軌道台の取付穴はざぐり加工とめねじ加工が施されているため、取付構造も制約されることがありません。
共通仕様
| タイプ | 標準形 |
|---|---|
| 材質 | 炭素鋼製 |

