モノづくりの困ったを解決する総合サイト

Produced by

日本トムソン

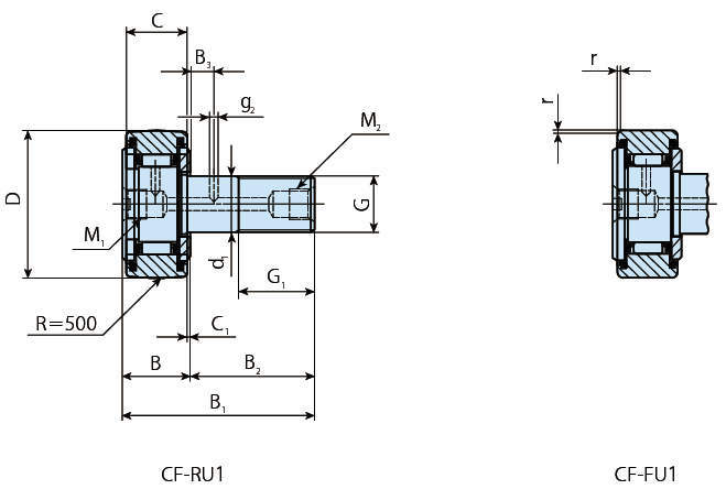
集中配管用カムフォロア CF-RU1・CF-FU1(保持器付き)

・カムフォロアは、厚肉の外輪に針状ころを組み込んだ構造で、外輪回転用に設計された、摩擦係数が小さく回転性能に優れた軸受です。
・外輪外径面が直接相手カムガイド面と接触しながら案内をしますが、この軸受は効果的に負荷域を増大させる目的でラジアルすきまを小さく設計しているため、衝撃荷重を緩和し、安定した長寿命が得られます。
・スタッド頭部に集中配管用のタップ穴加工が施されているので、給油の集中配管が必要な個所に最適です。

#カムフォロア

共通仕様

ころの案内方式 保持器付き
外輪外径面の形状 CF-RU1:球面外輪
CF-FU1:円筒外輪
シール部の構造 シール形
材質 炭素鋼

CADメーカーTOP

詳細仕様

  • 30件中 11-20件

  • 表示件数

30件の型式

型式 タイプ 材質 外輪外径面の形状 シール部の構造 主要寸法(mm) 取付関係寸法
f
最小
(mm)
最大締付トルク
(N・m)
基本動
定格荷重
C
(N)
基本静
定格荷重
CO
(N)
最大静
許容荷重
(N)
トラック負荷容量
(N)
D C d1 G G1 B B1 B2 B3 C1 g2 M1 M2 球面外輪 円筒外輪
CF-RU1-24 CF-RU1 炭素鋼製 球面外輪 シール形 62 29 24 M24×1.5 25 30.6 80.1 49.5 11 0.8 4 PT 1/8 PT 1/8 40 215 30500 52600 52000 6580 34300
CF-RU1-24-1 CF-RU1 炭素鋼製 球面外輪 シール形 72 29 24 M24×1.5 25 30.6 80.1 49.5 11 0.8 4 PT 1/8 PT 1/8 40 215 30500 52600 52000 8020 39800
CF-RU1-30 CF-RU1 炭素鋼製 球面外輪 シール形 80 35 30 M30×1.5 32 37 100 63 15 1 4 PT 1/8 PT 1/8 49 438 45400 85100 85100 9220 52700
CF-RU1-30-1 CF-RU1 炭素鋼製 球面外輪 シール形 85 35 30 M30×1.5 32 37 100 63 15 1 4 PT 1/8 PT 1/8 49 438 45400 85100 85100 9990 56000
CF-RU1-30-2 CF-RU1 炭素鋼製 球面外輪 シール形 90 35 30 M30×1.5 32 37 100 63 15 1 4 PT 1/8 PT 1/8 49 438 45400 85100 85100 10800 59300
CF-FU1-6 CF-FU1 炭素鋼製 円筒外輪 シール形 16 11 6 M6×1 8 12.2 28.2 16 - 0.6 - M6×0.75 - 11 2.7 3660 3650 1950 1040 3400
CF-FU1-8 CF-FU1 炭素鋼製 円筒外輪 シール形 19 11 8 M8×1.25 10 12.2 32.2 20 - 0.6 - M6×0.75 - 13 6.5 4250 4740 4620 1330 4040
CF-FU1-10 CF-FU1 炭素鋼製 円筒外輪 シール形 22 12 10 M10×1.25 12 13.2 36.2 23 - 0.6 - M6×0.75 - 16 13.8 5430 6890 6890 1610 4680
CF-FU1-10-1 CF-FU1 炭素鋼製 円筒外輪 シール形 26 12 10 M10×1.25 12 13.2 36.2 23 - 0.6 - M6×0.75 - 16 13.8 5430 6890 6890 2030 5530
CF-FU1-12 CF-FU1 炭素鋼製 円筒外輪 シール形 30 14 12 M12×1.5 13 15.2 40.2 25 - 0.6 - M6×0.75 - 21 23.9 7910 9790 9790 2470 7010

型式 商品コード 単位 価格
(円)
基準納期
日伝 メーカー
CF-RU1-24 CF-RU1-24 P 15,700 在庫品 在庫品
CF-RU1-24-1 CF-RU1-24-1 P 17,700 在庫品 在庫品
CF-RU1-30 CF-RU1-30 P 20,900 在庫品 在庫品
CF-RU1-30-1 CF-RU1-30-1 P 25,200 - 在庫品
CF-RU1-30-2 CF-RU1-30-2 P 28,000 - 在庫品
CF-FU1-6 CF-FU1-6 P 3,730 在庫品 在庫品
CF-FU1-8 CF-FU1-8 P 3,940 在庫品 在庫品
CF-FU1-10 CF-FU1-10 P 4,000 - 在庫品
CF-FU1-10-1 CF-FU1-10-1 P 4,210 - 在庫品
CF-FU1-12 CF-FU1-12 P 4,890 在庫品 在庫品

この製品を見た人はこのような製品も見ています

1952年設立で、動力伝導機器・産業機器・制御機器等の機械設備及び機械器具関連製品の販売をしている専門総合商社です。
日本国内で40以上の拠点を持ち、信頼性の高い製品と技術力で、全国のものづくりに携わる方々のあらゆるお困りごとを解決しています。

Loading...