黒染め
-
黒染め
-
SUS304
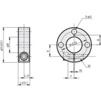
締結力の強いスリットタイプ。
・面で締め付けるため、スラスト力が強く、シャフトが傷が付きにくいタイプです。
シリーズ中最もバリエーションの豊富なタイプです。
・ブラケット、プレートの取り付けやスプロケットの固定などに便利です。
共通仕様
| 材質/表面処理 | SCS-CP3:鉄(S45C)/黒染め SCS-MP3:鉄(S45C)/無電解ニッケルメッキ SCS-SP3:ステンレス(SUS304) |
|---|---|
| 付属品 | SCS-CP3:六角穴付ボルト(黒染め)1本 SCS-MP3:六角穴付ボルト(SUSXM7)1本 SCS-SP3:六角穴付ボルト(SUSXM7)1本 |

