SUS製は防錆に優れたSUS304を使用
・ステンレススチール製品は、硫化物の含有量が低いため医療機器、食品関係の装置、薬産業等の衛生面及び気候上で腐食の心配がある場所での使用に適しています。
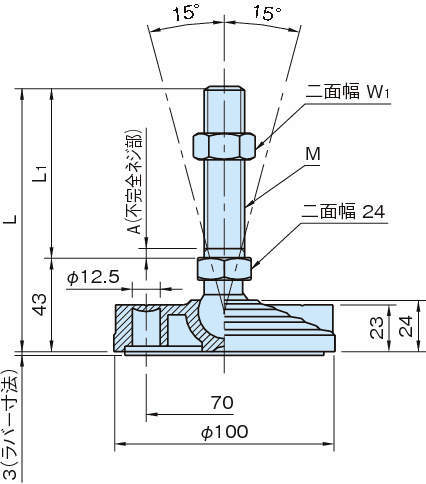
・アンカーボルトご使用の際は、ボルト穴の上面をポンチ等で打ち落としてご使用ください。
・RoHS指令適合製品です。
共通仕様
| パッド | ポリアミド(ガラス繊維強化) つや消しブラック |
|---|---|
| ネジ・ナット | LVF100L・LVFR100L:SUM22L 亜鉛メッキ LVF100L-SUS・LVFR100L-SUS:SUS304 |
| ラバー | LVFR100L・LVFR100L-SUS:二トリルゴム(NBR) |
| 使用温度 | max.100℃ min.-30℃ |

