116J
-
116J
-
106
-
218
-
208J
-
318
-
308J
-
328
圧縮空気を供給するだけで−60℃の冷風を創り出せる。
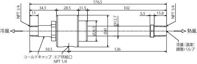
・ボルテックスチューブに圧縮空気を供給すると、製品内部にある特殊な部品ブッシング・ゼネレータの働きにより、空気は高速で回転を始めます。この高速回転により発生するクーラー内部での渦流、圧縮、膨張、圧力差を利用して冷風(熱を奪われた側)と熱風(熱を奪った側)に分離します。冷風温度、冷却熱量は、ボルテックスチューブに供給される圧縮空気の圧力、温度、風量(使用するブッシング・ゼネレータにより異なります)及びクーラーの熱風側にあるバルブで調整する冷風量、熱風量の比率(冷風比率)により決定されます。
・安定した冷気を作り出すために圧縮空気は清浄で乾燥したエアを供給してください。

