C-8L-5
-
C-8L-5
-
C-8L-6
-
C-12L-5(ナイロンシール付 防塵仕様)
・プレス成形品の為、低コストで取り付け高さをUP(L-6タイプ)。
フリーベアコーポレーション
C-8L-5
C-8L-5
C-8L-6
C-12L-5(ナイロンシール付 防塵仕様)
・プレス成形品の為、低コストで取り付け高さをUP(L-6タイプ)。
2件の型式
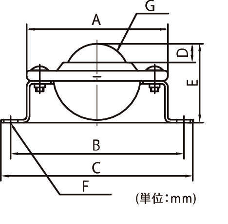
| 型式 | 許容荷重 | メインボール | 小ボール | 本体 | ボール受け | 自重 | A | B | C | D | E | F | G |
|---|---|---|---|---|---|---|---|---|---|---|---|---|---|
| C-8L-5 | 30kg | スチール | スチール | スチール | SUS | 181g | φ56 | 68.5 | φ76 | 7.3 | 31 | 2-φ5.5 | 1"球(φ25.40) |
| C-8L-6 | 30kg | スチール | スチール | スチール | SUS | 206g | φ56 | 68.5 | φ76 | 7.3 | 51 | 2-φ5.5 | 1"球(φ25.40) |
| 型式 | 商品コード | 単位 |
価格 (円) |
基準納期 | |
|---|---|---|---|---|---|
| 日伝 | メーカー | ||||
| C-8L-5 | C-8L-5 | P | 1,230 | 在庫品 | 在庫品 |
| C-8L-6 | C-8L-6 | P | 1,380 | 在庫品 | 在庫品 |
製品についてのご質問やお困りごとなどお気軽にご相談ください!