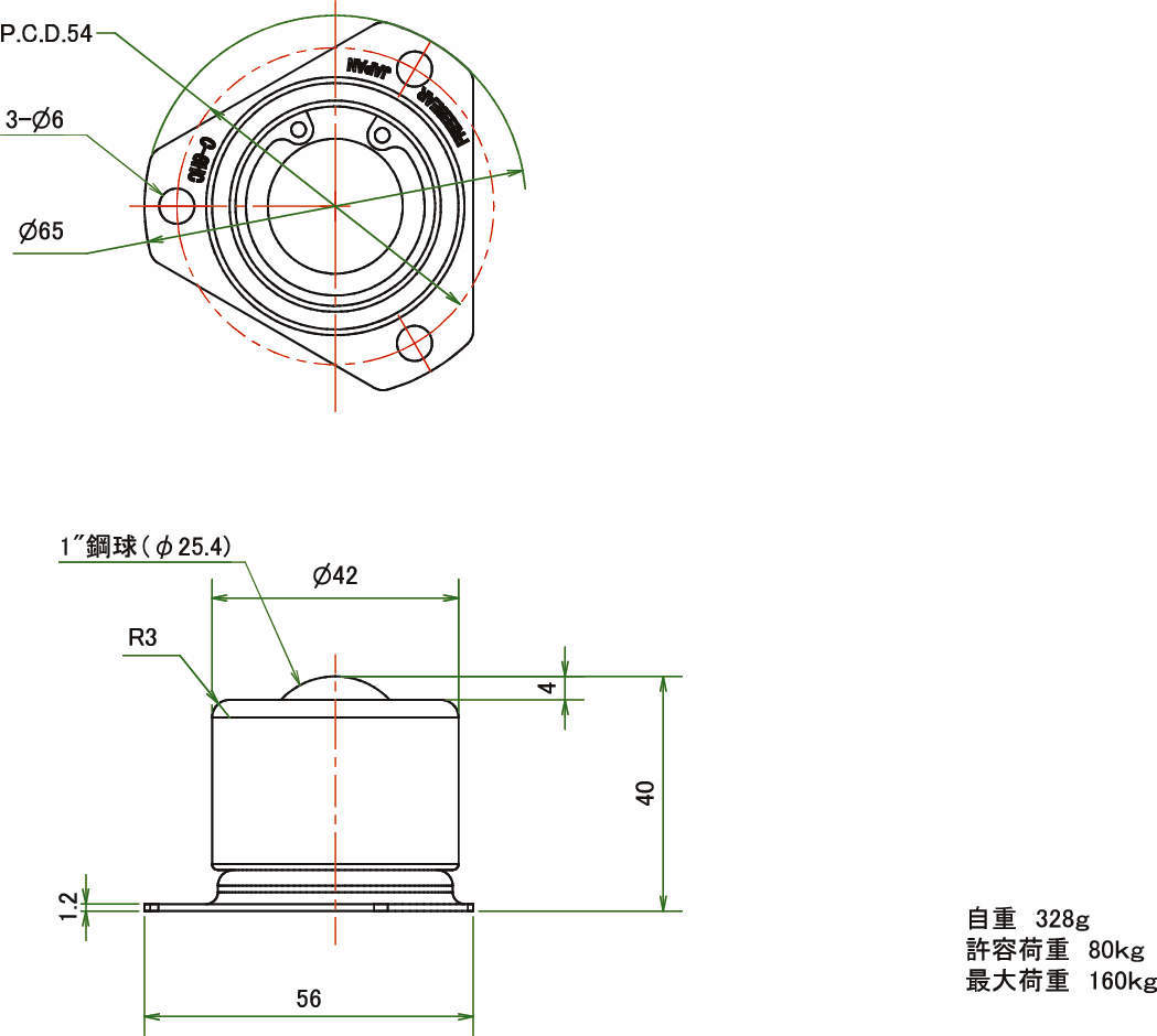
C-7HC
-
C-7HC
-
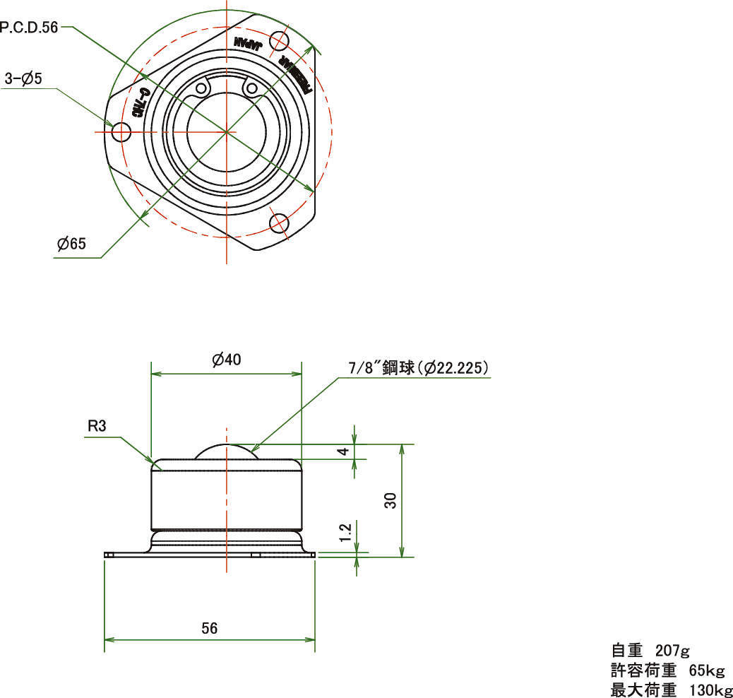
C-8HC
衝撃や破損に強い安心の金属フランジのフリーベア
【衝撃もOK】
金属製フランジと切削加工品のボディなのでとっても丈夫。
締め付けすぎによるフランジの割れ、思わぬ衝撃による本体の破損などは起きません。
【重量物もOK】
切削加工品のボディの耐荷重はプレス品と比較しておよそ2.5倍。
設置面積が小さく重量がある金型などもラクラク搬送することが可能です。
【軽い力でOK】
ピッチが狭くなるとより多くのフリーベアでワークを受けることができます。
ということは、より軽い力で搬送可能になり作業者の負担も軽減されます。
共通仕様
| メインボール | スチール |
|---|---|
| 小ボール | スチール |
| 本体 | スチール |

