C-8Y-MF
-
C-8Y-MF
-
S-8Y-MF
-
P-8Y-MF
低摩擦×防塵
・シールにマイクロファイバー繊維(MFシール)を使用する事により、シールのないフリーベアと同等の摩擦係数(0.03μ以下)でのワーク搬送が可能。
・また、MFシールが内部発塵した摩擦粉を吸着する事により、クリーニング効果が発揮され、より一層の高寿命化を実現。
フリーベアコーポレーション
C-8Y-MF
C-8Y-MF
S-8Y-MF
P-8Y-MF
・シールにマイクロファイバー繊維(MFシール)を使用する事により、シールのないフリーベアと同等の摩擦係数(0.03μ以下)でのワーク搬送が可能。
・また、MFシールが内部発塵した摩擦粉を吸着する事により、クリーニング効果が発揮され、より一層の高寿命化を実現。
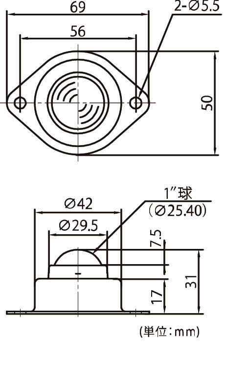
3件の型式
| 型式 | 許容荷重 | 取付強さ | 最大荷重 | 大ボール | 小ボール | 本体(カバー) | ボール受 | シール | 自重 |
|---|---|---|---|---|---|---|---|---|---|
| C-8Y-MF | 30kg | 294N(30kgf) | 588N(60kgf) | SWRM | SWRM | SPC | SUS304 | MF | 138g |
| P-8Y-MF | 5kg | 49N(5kgf) | - | ナイロン | SUS304 | SPC | SUS304 | MF | 80g |
| S-8Y-MF | 30kg | 294N(30kgf) | 588N(60kgf) | SUS440C | SUS440C | SUS304 | SUS304 | MF | 134g |
| 型式 | 商品コード | 単位 |
価格 (円) |
基準納期 | |
|---|---|---|---|---|---|
| 日伝 | メーカー | ||||
| C-8Y-MF | C-8Y-MF | P | 750 | 在庫品 | 4日間 |
| P-8Y-MF | P-8Y-MF | P | 1,820 | - | 4日間 |
| S-8Y-MF | S-8Y-MF | P | 2,300 | - | 4日間 |
製品についてのご質問やお困りごとなどお気軽にご相談ください!