SSG [Fシリーズ]
-
SSG [Fシリーズ]
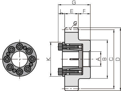
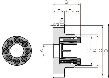
■歯研平歯車 SSG
・歯面焼入研削した歯車で、精度、耐摩耗性とコストのバランスが良い製品です。。
■Fシリーズ
・Fシリーズとは、標準歯車の下穴品をベースにブッシング一体歯車ををKHK独自の規格でシリーズ化した製品です。
・最新の機械設備をジャスト・イン・タイム生産ラインにより生産効率と品質を追求。
・メーカーが行う追加工で信頼性の高い製品を提供します。
共通仕様
| 精度等級 | JIS N7級相当品 |
|---|---|
| 歯形 | 並歯 |
| 圧力角 | 20° |
| 材料 | S45C |
| 熱処理 | 歯面高周波焼入れ |
| 歯面硬度 | 50~60HRC |
| 表面処理 | 歯部・追加工部以外黒染 |

