モノづくりの困ったを解決する総合サイト

Produced by

小原歯車工業

ヘリカルラック|歯研はすば歯車 ZSTP [Eシリーズ]

ZSTP [Eシリーズ]

  • ZSTP [Eシリーズ]

■歯研はすば歯車 ZSTP
・ZSTのピニオンで、精度が良く、ヘリカルのため強度、耐摩耗性、静粛性が優れています。
・歯部以外は追加工が可能です。

■歯車締結の悩みを解決!
・歯車と軸との取付時間の削減したい。(組立時間5分程度KHK調べ)取外しの際も同様の作業時間が掛かります。
・歯車と軸の組付け振れを小さくしたい。
・歯車と軸とのバックラッシを小さくしたい。
・フレッティング摩耗(軸ヤセや焼付き)による軸強度の低下を低減したい。
・位相合わせ、位置決めの簡素化をしたい。

■ETP-EPlusの動作原理
・チャンバー内に封入されている圧力媒体は、プレッシャースクリューの締め込みにより加圧されてスリーブ内に移行します。
・この圧力媒体の加圧で、スリーブは内部から圧力を受け、軸側スリーブは収縮し、ハブ側スリーブは拡張し、軸とハブはスリーブを介して締結されます。

#はすば歯車
#ピニオン

共通仕様

精度等級 JIS N6級相当品 (JIS B 1702-1:1998)
歯車基準断面 歯直角
歯形 並歯
圧力角 20°
ねじれ角 19°31'41'' 左ねじれ
材料 SCM440
熱処理 調質、歯面高周波焼入れ
歯面硬度 50~60HRC
表面処理 研削部以外黒染

詳細仕様

  • 107件中 21-30件

  • 表示件数

107件の型式

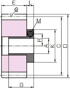
型式 モジュール
m
正面
ピッチ
(mm)
歯数 ねじれ
方向
形状 穴径
A
(mm)
ボス径
B
(mm)
基準円直径
C
(mm)
歯先円直径
D
(mm)
歯幅
E
(mm)
ETP部(mm) 小歯車1回転
移動量
(mm)
許容トルク(N・m) 許容トルク(kgf・m) ねじM
締め付けトルク
(N・m)
ETP
許容締結トルク
(N・m)
ETP
許容スラスト力
(N)
ETP
許容ラジアル荷重
(N)
バックラッシ
(mm)
G K R L ねじM 曲げ強さ 歯面強さ 曲げ強さ 歯面強さ
ZSTP3-25LE20 3 CP10 25 L S5E 20 - 79.58 88 30 41 56 18 14 1-M10 250 490 471 50 48 7 110 9100 1000 0.06~0.14
ZSTP3-25LE22 3 CP10 25 L S5E 22 - 79.58 88 30 43 61 19.3 14 1-M10 250 490 471 50 48 7 130 9600 1200 0.06~0.14
ZSTP3-25LE24 3 CP10 25 L S5E 24 - 79.58 88 30 44 63 20.3 14 1-M10 250 490 471 50 48 7 190 13000 1400 0.06~0.14
ZSTP3-25LE25 3 CP10 25 L S1EA・S1EB 25 70 79.58 88 30 46 63 20.8 14 1-M10 250 490 471 50 48 7 230 15000 1500 0.06~0.14
ZSTP3-25LE28 3 CP10 25 L S1EA・S1EB 28 70 79.58 88 30 48 70 22.6 14 1-M10 250 490 471 50 48 7 280 16000 1800 0.06~0.14
ZSTP3-25LE30 3 CP10 25 L S1EA・S1EB 30 70 79.58 88 30 50 71 23.6 14 1-M10 250 490 471 50 48 7 380 21000 2000 0.06~0.14
ZSTP3-25LE32 3 CP10 25 L S1EA・S1EB 32 70 79.58 88 30 52 78 24.8 14 1-M10 250 490 471 50 48 7 440 22000 2200 0.06~0.14
ZSTP3-25LE35 3 CP10 25 L S1EA・S1EB 35 70 79.58 88 30 55 86 26.4 14 1-M10 250 490 471 50 48 7 640 30000 2500 0.06~0.14
ZSTP3-25LE38 3 CP10 25 L S1EA・S1EB 38 70 79.58 88 30 67 92.5 31 20 1-M16 250 490 471 50 48 24 890 38000 2800 0.06~0.14
ZSTP3-30LE22 3 CP10 30 L S5E 22 - 95.49 104 30 43 61 19.3 14 1-M10 300 606 729 61.8 74.4 7 130 9600 1200 0.06~0.14

型式 商品コード 単位 価格
(円)
基準納期
日伝 メーカー
ZSTP3-25LE20 ZSTP3-25LE20 P 34,380 - 5日間
ZSTP3-25LE22 ZSTP3-25LE22 P 34,640 - 5日間
ZSTP3-25LE24 ZSTP3-25LE24 P 35,230 - 5日間
ZSTP3-25LE25 ZSTP3-25LE25 P 36,270 - 5日間
ZSTP3-25LE28 ZSTP3-25LE28 P 36,740 - 5日間
ZSTP3-25LE30 ZSTP3-25LE30 P 36,800 - 5日間
ZSTP3-25LE32 ZSTP3-25LE32 P 38,030 - 5日間
ZSTP3-25LE35 ZSTP3-25LE35 P 39,040 - 5日間
ZSTP3-25LE38 ZSTP3-25LE38 P 40,390 - 5日間
ZSTP3-30LE22 ZSTP3-30LE22 P 38,020 - 5日間

関連製品

この製品を見た人はこのような製品も見ています

1952年設立で、動力伝導機器・産業機器・制御機器等の機械設備及び機械器具関連製品の販売をしている専門総合商社です。
日本国内で40以上の拠点を持ち、信頼性の高い製品と技術力で、全国のものづくりに携わる方々のあらゆるお困りごとを解決しています。

Loading...