KRD30
-
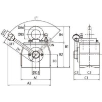
KRD30
永久磁石で大切なつり荷をがっちり吸着
■永久磁石で安心・安全
・永久磁石を使用し、停電時でも確実につり荷を保持
■4つの磁極で確実に吸着
・一般的なリフティングマグネットは磁極が2つであるのに対し、スーパーマグは4つ。確実につり荷を吸着することができます。
■つり荷の取り外しも容易
・OFF状態では吸着面の磁力を残さず、小さなクリップさえも吸着しない安心設計。
■平鋼も丸鋼もこの一台で
・丸鋼の曲面にも磁力が効率よく流れるよう、吸着面はV 字溝が入った形状となっています。
■80kg~1.6tまでラインアップは7種類

