モノづくりの困ったを解決する総合サイト

Produced by

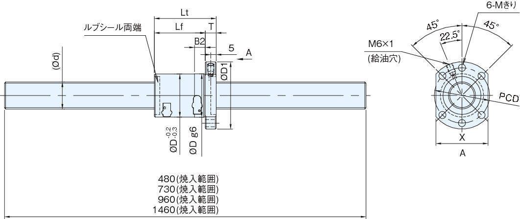
ボールねじ|サイドデフレクタ方式転造ボールねじ ADシリーズ(C7級)

ADシリーズ

  • ADシリーズ

DIN規格準拠、高速、静音、コンパクトなボールねじ

■新循環方式
・サイドデフレクタの採用により、理想的なボールのすくい上げ、循環構造を実現し、ナットのコンパクト化、高速化、静音性に貢献しています。
・ナット寸法はDIN規格に準拠したコンパクトなナットになり、使いやすさを追求しました。

■高速
・近年の自動化・高タクト化ニーズに合わせ、高性能化するモータに追従し最高回転速度、DN値を大幅に向上しました。
・従来のボールねじと比較しDN値で2倍となる最高DN値150000、最高回転速度5000min-1を実現しました。

■静音
・従来のチューブ循環方式と比べて音圧を6dB低減しました。
・AD/AHシリーズでは高周波音を低減し、音質を改善、心地よい音質を提供します。

■コンパクト
・ナット外径とフランジ部をコンパクト化し、装置の小型化や装置内のスペースの拡大に貢献します。
・従来のチューブ循環方と比べてナット外径で最大30%の小型化、重量で最大50%の軽量化を実現しました。

■潤滑ユニット
・ナット内に内蔵されたルブシールは封入された潤滑油をねじ溝に供給し、ナットの移動とともに負荷域に浸透します。
・接触式のため異物の流入と潤滑剤の過度な流出を防ぎ、接触面積や接触圧などに配慮し接触式の潤滑ユニットでありながら低摺動抵抗を実現しました。

#ボールねじ

詳細仕様

  • 46件中 1-10件

  • 表示件数

46件の型式

型式 シリーズ 精度等級 ねじ軸
呼び径
リード
(mm)
ねじ軸全長
(mm)
循環数 ねじれ
方向
ボール径
(mm)
谷径
(mm)
基本動定格荷重
C
(N)
基本静定格荷重
C0
(N)
ねじ軸外径
d
(mm)
ナット寸法(mm) 軸方向
すきま
最高回転速度
(min-1)
潤滑
ユニット
備考
外径 D フランジ径 D1 全長 Lt 厚さ T 胴部長さ Lf 長さ B2 取付穴 PCD 取付穴径 M 幅 X
AD16054S-HSSR-0480A AD C7 16 5 480 3.7巻1列 2.778 12.7 7600 12000 15 28 48 47 10 37 10 38 5.5 40 0.010以下 5000 ルブシール 軸端未加工品
AD16054S-HSSR-0730A AD C7 16 5 730 3.7巻1列 2.778 12.7 7600 12000 15 28 48 47 10 37 10 38 5.5 40 0.010以下 5000 ルブシール 軸端未加工品
AD16054S-HSSR-0960A AD C7 16 5 960 3.7巻1列 2.778 12.7 7600 12000 15 28 48 47 10 37 10 38 5.5 40 0.010以下 5000 ルブシール 軸端未加工品
AD16054S-HSSR-1460A AD C7 16 5 1460 3.7巻1列 2.778 12.7 7600 12000 15 28 48 47 10 37 10 38 5.5 40 0.010以下 5000 ルブシール 軸端未加工品
AD16103S-HSSR-0480A AD C7 16 10 480 2.7巻1列 2.778 12.7 5700 8700 15 28 48 57 10 47 10 38 5.5 40 0.010以下 5000 ルブシール 軸端未加工品
AD16103S-HSSR-0730A AD C7 16 10 730 2.7巻1列 2.778 12.7 5700 8700 15 28 48 57 10 47 10 38 5.5 40 0.010以下 5000 ルブシール 軸端未加工品
AD16103S-HSSR-0960A AD C7 16 10 960 2.7巻1列 2.778 12.7 5700 8700 15 28 48 57 10 47 10 38 5.5 40 0.010以下 5000 ルブシール 軸端未加工品
AD16103S-HSSR-1460A AD C7 16 10 1460 2.7巻1列 2.778 12.7 5700 8700 15 28 48 57 10 47 10 38 5.5 40 0.010以下 5000 ルブシール 軸端未加工品
AD16162S-HSSR-0480A AD C7 16 16 480 1.7巻1列 2.778 12.7 3800 5500 15 28 48 58 10 48 10 38 5.5 40 0.010以下 5000 ルブシール 軸端未加工品
AD16162S-HSSR-0730A AD C7 16 16 730 1.7巻1列 2.778 12.7 3800 5500 15 28 48 58 10 48 10 38 5.5 40 0.010以下 5000 ルブシール 軸端未加工品

型式 商品コード 単位 価格
(円)
基準納期
日伝 メーカー
AD16054S-HSSR-0480A AD16054S-HSSR-0480A P 47,200 - -
AD16054S-HSSR-0730A AD16054S-HSSR-0730A P 50,600 - -
AD16054S-HSSR-0960A AD16054S-HSSR-0960A P 56,400 - -
AD16054S-HSSR-1460A AD16054S-HSSR-1460A P 62,100 - -
AD16103S-HSSR-0480A AD16103S-HSSR-0480A P 43,700 - -
AD16103S-HSSR-0730A AD16103S-HSSR-0730A P 47,200 - -
AD16103S-HSSR-0960A AD16103S-HSSR-0960A P 52,900 - -
AD16103S-HSSR-1460A AD16103S-HSSR-1460A P 57,500 - -
AD16162S-HSSR-0480A AD16162S-HSSR-0480A P 40,300 - -
AD16162S-HSSR-0730A AD16162S-HSSR-0730A P 43,700 - -

関連製品

この製品を見た人はこのような製品も見ています

1952年設立で、動力伝導機器・産業機器・制御機器等の機械設備及び機械器具関連製品の販売をしている専門総合商社です。
日本国内で40以上の拠点を持ち、信頼性の高い製品と技術力で、全国のものづくりに携わる方々のあらゆるお困りごとを解決しています。

Loading...