ADシリーズ
-
ADシリーズ
DIN規格準拠、高速、静音、コンパクトなボールねじ
■新循環方式
・サイドデフレクタの採用により、理想的なボールのすくい上げ、循環構造を実現し、ナットのコンパクト化、高速化、静音性に貢献しています。
・ナット寸法はDIN規格に準拠したコンパクトなナットになり、使いやすさを追求しました。
■高速
・近年の自動化・高タクト化ニーズに合わせ、高性能化するモータに追従し最高回転速度、DN値を大幅に向上しました。
・従来のボールねじと比較しDN値で2倍となる最高DN値150000、最高回転速度5000min-1を実現しました。
■静音
・従来のチューブ循環方式と比べて音圧を6dB低減しました。
・AD/AHシリーズでは高周波音を低減し、音質を改善、心地よい音質を提供します。
■コンパクト
・ナット外径とフランジ部をコンパクト化し、装置の小型化や装置内のスペースの拡大に貢献します。
・従来のチューブ循環方と比べてナット外径で最大30%の小型化、重量で最大50%の軽量化を実現しました。
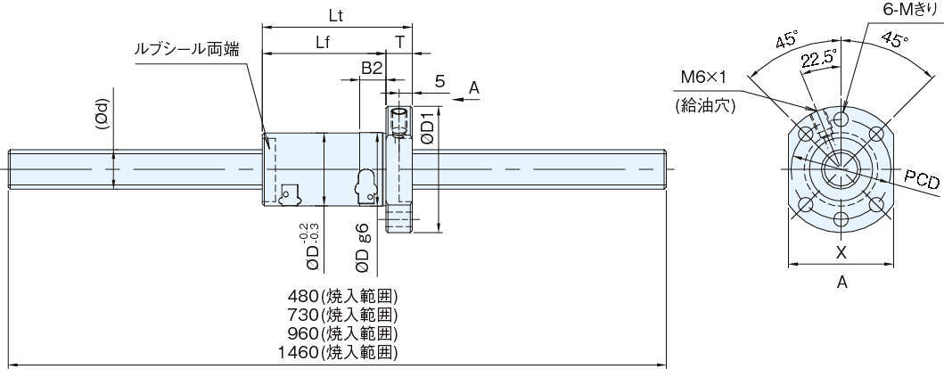
■潤滑ユニット
・ナット内に内蔵されたルブシールは封入された潤滑油をねじ溝に供給し、ナットの移動とともに負荷域に浸透します。
・接触式のため異物の流入と潤滑剤の過度な流出を防ぎ、接触面積や接触圧などに配慮し接触式の潤滑ユニットでありながら低摺動抵抗を実現しました。

