SCシリーズ
-
SCシリーズ
クリーン度クラス3(ISO 14644-1)に対応したアクチュエータ
■クリーン度クラス3(ISO 14644-1)対応、低発塵クリーンアクチュエータ
・フルカバータイプのボールねじアクチュエータ。
■従来品と比較して、クリーン度を大幅にアップ。
・スライドブロックの摺動部は低摩耗素材の部材によりパーティクルを抑制。
・センターシートは低発塵素材のステンレスシートを採用。
・吸引継手からの吸引によりパーティクルは大幅に軽減。
■高精度・高剛性ボールねじアクチュエータ
・KURODAのボールねじアクチュエータは、ボールねじと直動案内機器をコンパクトにユニット化した単軸ユニットです。
・U字形状のガイドレールの中にスライドブロックを配置することで、低断面構造とコンパクトな形状を実現し、従来のテーブル機工に比べて大幅なスペースの削減が可能です。
・SCシリーズは、当社「高剛性ボールねじアクチュエータSEシリーズ」をベースとしたフルカバータイプで、防塵性能を大幅に向上しました。
■防塵性能の大幅UP
・外部からの異物の侵入を防ぐため、アクチュエータ側面の開口部を限りなく小さくし、テーブル部を跨ぐ構造で設置されたセンタシートの効果により、大幅な防塵性能の向上を実現。
■スリムデザインで省スペースニーズに対応
・SCシリーズは、SEシリーズのガイドレールと全く同じ寸法でフルカバー化を実現しました。
・SEシリーズの取付スペースはそのまま、フルカバータイプへの置き換えが可能です。(ただし、取付け高さは異なります。)
■優れたメンテナンス性
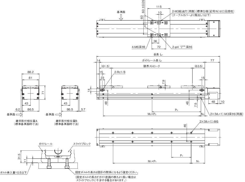
・SCシリーズは、面倒なグリースアップ作業の効率化のためテーブル側面に集中給油口を標準装備。
・ボールねじ部およびガイド部への給油が、集中給油口より一括で行えます。(標準仕様は埋栓を装着)給油口にはオプションとしてグリース継手を用意しています。
■強靭なガイド部剛性
・SCシリーズでは、SG・SEシリーズ同様に鋼鉄製U字形状のガイドレールを採用し、コンパクトな形状にもかかわらず高剛性で、片持ち構造でも使用可能です。

