1441・3000モデル
-
1441・3000モデル
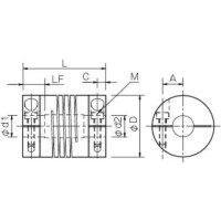
■優れたたわみ性、一体構造の螺旋スリットカップリング
・円柱状の材料に螺旋状のスリットを入れた完全一体構造の金属カップリングで、優れたフレキシブル性を持ち、バックラッシはありません。
・軸への取り付けは、止めねじ方式と摩擦によるクランプ方式の2種類が選べます。
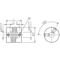
■ヘリカルミニ・1441モデル
・1441モデルは、最大5°の偏角を許容するすぐれたたわみ性を持つ1条スリットモデル。
・円柱状の材料に1本の螺旋状のスリットを入れた完全一体構造の金属カップリングで、バックラッシがありません。
・1441モデルは材質にステンレスを採用。
・内部レリーフ加工を省略しているため安価です。
・ヘリカルミニ(8652モデル)は最小モデル、軸径φ1.5mmが可能な高力アルミ合金製です。
■3000モデル
・3000モデルは、最大5°の偏角を許容するすぐれたたわみ性を持つ1条スリットモデル。
・円柱状の材料に1本の螺旋状のスリットを入れた完全一体構造の金属カップリングで、バックラッシがありません。
・材質には、ステンレスを採用し使用雰囲気に制限されることなく使用できます。
・軸への取り付けは、止めねじ方式とクランプ方式が選べます。
共通仕様
| タイプ | 1条スリット |
|---|---|
| 本体材質 | SUS304相当品 |
| 締結方法 | 1441:止めねじ 3□□2M:止めねじ 3□□5M:クランプ |

