DSモデル
-
DSモデル
■優れたたわみ性、一体構造の螺旋スリットカップリング
・円柱状の材料に螺旋状のスリットを入れた完全一体構造の金属カップリングで、優れたフレキシブル性を持ち、バックラッシはありません。
・軸への取り付けは、止めねじ方式と摩擦によるクランプ方式の2種類が選べます。
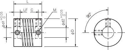
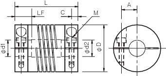
■DSR・DSCRモデル
・DSモデルは、高ねじり剛性に対応する2条スリットモデルです。
・円柱状の材料に2本の螺旋状のスリットを入れた完全一体構造の金属カップリングで、1本の螺旋状スリットのヘリカルARM・ACRMモデルと比べて大幅にねじり剛性をアップさせています。一体構造なので当然バックラッシはありません。
・材質には、高力アルミ合金を採用し表面処理はアルマイト処理をほどこしており耐食性も良好です。
・軸への取り付けは、止めねじ方式とクランプ方式が選べます。
共通仕様
| タイプ | 2条スリット |
|---|---|
| 本体材質 | 高力アルミ合金(7075材相当品) |
| 締結方法 | DSR:止めねじ DSCR:クランプ |

