2軸突き合わせタイプ
-
2軸突き合わせタイプ
■トルクリミッタ(過負荷保護装置)
・過負荷保護装置は、過負荷時に入力と出力を瞬時に切り離して、機械を保護します。
・過負荷がかかった際に、溝からドライブキーがはずれることで入力と出力を分断し、装置を保護します。
・過負荷が取り除かれれば、再び同じトルク・同じ割り出し位置で自動的に連結します。
・トルクの設定は、内部に組み込まれたトルクスプリングで設定しますので、微調整などの面倒な作業がありません。
・ドライブキーによる動力伝達のため、油中での使用も問題ありません。
・摩擦方式と異なり、悪環境にも対応可能です。
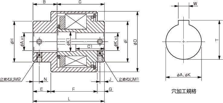
■トルクテンダ TT(01)タイプ
・トルクテンダ両端(ハウジングとハブ)から2本の軸を挿入し、両方の軸をセットスクリューで固定することで、動力伝達と過負荷による機械の保護を行う、2軸突き合わせタイプです。
・2軸突き合わせタイプなので、そのままフレキシブルカップリングとしても使用が可能です

