DK-S
-
DK-S
-
DK-A
■サスペンションユニット
・ユニークな原理と構造で、スプリング機能、ダンパー機能、軸受け機能の3つの機能を同時に兼ね備えた、多目的で多機能な緩衝装置です。
・構造は、金属製の内殻、外殻と円柱形のゴムからなり、45°の変位を持たせた内殻、外殻に円柱形のゴムを圧入しています。
・ばね特性は非線形で、円柱形のゴムが転がりながら圧縮されて作動するため揺動運動を確実に伝達し同時に振動、騒音を吸収します。
・永久変形も少なく、衝撃荷重に強く耐久性にすぐれています。
■スプリング機能
・ねじり角は±30°まで許容できます。
・ばね特性は、非線形で荷重の増加とともに、ねじり剛性が増加する特性です。
・トルク特性はロスタの長さによって決まります。
・引っ張り、圧縮、せん断荷重のあらゆる方向の荷重を支持することが可能です。
■ダンパー機能
・圧入された円柱状ゴムの内部摩擦は金属(ばね鋼)に比べて1000倍以上です。
・共振時の振幅低下や衝撃にともなう振動の早期停止が可能になります。
・緩衝装置、振動絶縁、防振支持などに利用できます。
■軸受機能
・振動を吸収しながら、高周期の揺動運動の伝達が可能です。
・通常ベアリングの場合は、揺動運動の伝達や、給油が不十分な時耐久性が劣ります。
・これらのベアリングに代わってロスタの軸受機能が日常の保守不要で利用できます。
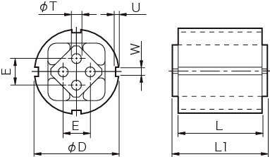
■DKモデル
・外殻は円形状のアルミ合金で、内殻は金属製の中空四角形もしくはアルミ合金があります。固定位置が360°どの位置にも固定できます。
・一般機械のばね用途、弾性ガイド、テンショナー、フレキシブルストッパーなど、様々な用途にご使用いただけます。
【ロスタの特長】
■大きなねじり角度
・ねじりはもちろん、上下・左右方向のばね特性も利用できます。
■非線形ばね特性
・弾力性に富み減衰性を持ったゴムの採用により、防振効果に優れています。
・ゴムの内部減衰は金属に比べて優れ、大きな減衰効果が得られます。
■振動・衝撃吸収
・シンプルな構造で、軽量・コンパクトです。
・ゴム体は予備圧縮されている為、変動・衝撃負荷に対しても優れた耐久性を発揮します。
■高耐久性
・金属同士の接触が無く、磨耗部がありません。
・水やほこりの影響を受けにくく、日常の保守が不要です。

