112-□-13
-
112-□-13
-
112-□-12
-
112-□-11
■小型精密機器を正確に制御するマイクロブレーキ
・事務機・通信機器・自動車機器などトルク・応答性の変動をきらう小型精密機器に最適な小型ブレーキです。
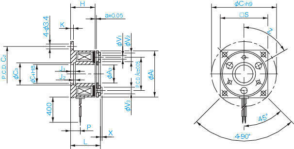
■112モデル(小型ブレーキ)
・基本設計が小型クラッチと同一の、高性能でしかもコンパクトな小型ブレーキです。
・ブレーキは回転体を制動・保持するために使用しますので、ステータ部のフランジは、強固な静止部に確実に固定します。
・取り付け形状の異なる3種類のアーマチュアアッセンブリがありますので、最適なものを選ぶことができます。
・取り付けスペースなどを考慮した上で、アーマチュアを選択します。
【アーマーチュア】
■シャフト取付(アーマチュア1型・2型)
・軸取り付けタイプ。
・ほとんどの場合が軸の制動ですので、いかに有効に軸に取り付けるかがポイントです。
■ダイレクト取付け用(アーマチュア3型)
・回転体取り付けタイプ。
・軸に固定しない慣性体は、軸を止めても止まりませんので、直接慣性体に取り付けるアーマチュアアッセンブリを使用します
■電磁クラッチ・電磁ブレーキとは
・コイルに通電することにより発生する電磁力を利用して動力や回転運動を制御する装置です。
・クラッチは動力の連結と切り離し、ブレーキは回転運動の制動と保持を行い、その作動方法によって励磁作動形と無励磁作動形に分けることができます。
・励磁作動形とは、コイルへの通電を行うことで動作するクラッチ・ブレーキで、無励磁作動形とは、停電時などコイルへの通電が切れたときにスプリングの力で動作するブレーキを指します。
共通仕様
| 適用電源装置 | BES・BEH |
|---|

