モノづくりの困ったを解決する総合サイト

Produced by

三木プーリ

スターフレックスカップリング ALSモデル(クランプタイプ)

■シンプル構造の汎用カップリング
・ゴムの弾性を持ったポリウレタンエラストマーによって動力を伝達。
・振動・衝撃の吸収性に優れる上、伝達トルクは従来のジョーカップリングの2倍以上です。
・3種類のハブ、2種類のエレメント硬度、2種類のはめあい方式をラインナップ。
・伝達トルク・応答性・ミスアライメント量に応じ、最適な組み合わせを提供します。
・異なるハブの組み合わせも可能で、幅広い用途にご利用いただけます

■多彩な組み合わせ
・自由な穴加工が可能な下穴品、高トルク伝達が可能なキー・止めねじタイプ、着脱容易なクランプタイプの3種類のハブをラインナップ。

■ノーバックラッシ
・Rタイプ・Yタイプはノーバックラッシでありながら、衝撃・振動吸収が可能です。

■軸反力を低減
・エレメント形状の最適設計により取り付け誤差反力を軽減、軸にダメージを与えません。

【3種類のエレメント】
■ALS-Rタイプ
・エレメントにポリウレタンエラストマー(硬度 97 JIS A)を使用。
・形状は予備圧縮がかかるように設計したタイトフィット構造でノーバックラッシでの使用が可能です。
・高トルクで簡易サーボから汎用モータまで幅広くご利用いただけます。

■ALS-Yタイプ
・エレメントにポリウレタンエラストマー(硬度 90 JIS A)を使用。
・形状は予備圧縮がかかるように設計したタイトフィット構造でノーバックラッシでの使用が可能です。
・ALS-Rタイプと比べてエレメント硬度が低いため、軸反力を抑えることが可能です。

■ALS-Bタイプ
・エレメントにポリウレタンエラストマー(硬度 97 JIS A)を使用。
・形状はゆるいはめ合いのルーズフィット構造とエレメントのトルク伝達面をクラウニング形状とすることで、高伝達トルクで大きなミスアライメントを吸収できます。

#カップリング

共通仕様

エレメントタイプ Rタイプ:赤色、タイトフィット、硬度97JIS A
Yタイプ:黄色、タイトフィット、硬度90JIS A
Bタイプ:紺色、ルーズフィット、硬度97JIS A
エレメント材質 ポリウレタンエラストマー
ハブ材質 アルミ合金
クランプボルト材質 SCM435(黒染め処理)

CADメーカーTOP

詳細仕様

  • 479件中 471-479件

  • 表示件数

479件の型式

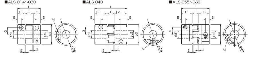
型式 サイズ エレメント 軸穴径(mm) D
(mm)
DB
(mm)
L
(mm)
L1・L2
(mm)
E
(mm)
S
(mm)
B
(mm)
G
(mm)
M
(mm)
締付け
トルク
(N・m)
トルク(N・m) 許容伝達
トルク
(N・m)
許容誤差 最高
回転速度
(min-1)
静的ねじり
ばね定数
(N・m/rad)
半径方向
ばね定数
(N/mm)
慣性
モーメント
(kg・m2)
質量
(kg)
d1 d2 常用 最大 偏心 (mm) 偏角 (°) 軸方向 (mm)
ALS-080-B-28B-30B ALS-080 Bタイプ 28 30 80 80 114 45 24 3 11.5 30 M8 30 325 650 (108) 0.28 1 -0.9~+1.8 4800 4550 600 1.04×10^-3 1.00
ALS-080-B-28B-35B ALS-080 Bタイプ 28 35 80 80 114 45 24 3 11.5 30 M8 30 325 650 (108) 0.28 1 -0.9~+1.8 4800 4550 600 1.04×10^-3 1.00
ALS-080-B-28B-42B ALS-080 Bタイプ 28 42 80 80 114 45 24 3 11.5 30 M8 30 325 650 (108) 0.28 1 -0.9~+1.8 4800 4550 600 1.04×10^-3 1.00
ALS-080-B-30B-30B ALS-080 Bタイプ 30 30 80 80 114 45 24 3 11.5 30 M8 30 325 650 (121) 0.28 1 -0.9~+1.8 4800 4550 600 1.04×10^-3 1.00
ALS-080-B-30B-35B ALS-080 Bタイプ 30 35 80 80 114 45 24 3 11.5 30 M8 30 325 650 (121) 0.28 1 -0.9~+1.8 4800 4550 600 1.04×10^-3 1.00
ALS-080-B-30B-42B ALS-080 Bタイプ 30 42 80 80 114 45 24 3 11.5 30 M8 30 325 650 (121) 0.28 1 -0.9~+1.8 4800 4550 600 1.04×10^-3 1.00
ALS-080-B-35B-35B ALS-080 Bタイプ 35 35 80 80 114 45 24 3 11.5 30 M8 30 325 650 (151) 0.28 1 -0.9~+1.8 4800 4550 600 1.04×10^-3 1.00
ALS-080-B-35B-42B ALS-080 Bタイプ 35 42 80 80 114 45 24 3 11.5 30 M8 30 325 650 (151) 0.28 1 -0.9~+1.8 4800 4550 600 1.04×10^-3 1.00
ALS-080-B-42B-42B ALS-080 Bタイプ 42 42 80 80 114 45 24 3 11.5 30 M8 30 325 650 (194) 0.28 1 -0.9~+1.8 4800 4550 600 1.04×10^-3 1.00

型式 商品コード 単位 価格
(円)
基準納期
日伝 メーカー
ALS-080-B-28B-30B ALS-080-B-28B-30B P 22,700 - 10日間
ALS-080-B-28B-35B ALS-080-B-28B-35B P 22,700 - 10日間
ALS-080-B-28B-42B ALS-080-B-28B-42B P 22,700 - 10日間
ALS-080-B-30B-30B ALS-080-B-30B-30B P 22,700 - 10日間
ALS-080-B-30B-35B ALS-080-B-30B-35B P 22,700 - 10日間
ALS-080-B-30B-42B ALS-080-B-30B-42B P 22,700 - 10日間
ALS-080-B-35B-35B ALS-080-B-35B-35B P 22,700 - 10日間
ALS-080-B-35B-42B ALS-080-B-35B-42B P 22,700 - 10日間
ALS-080-B-42B-42B ALS-080-B-42B-42B P 22,700 - 10日間

関連製品

この製品を見た人はこのような製品も見ています

1952年設立で、動力伝導機器・産業機器・制御機器等の機械設備及び機械器具関連製品の販売をしている専門総合商社です。
日本国内で40以上の拠点を持ち、信頼性の高い製品と技術力で、全国のものづくりに携わる方々のあらゆるお困りごとを解決しています。

Loading...