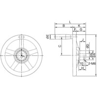
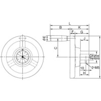
インデックスハンドル
-
インデックスハンドル
■回転数指示計
・ハンドルにセットしたり、回転数を読み取りたい軸に取り付けることで回転数を指示することが可能になります。
・指針が動く「ウエイト型」と、目盛盤が動く「差動型」があります。正確な機能を備えているばかりでなく、美しい外観で機械のイメージをアップします。
■見やすさ最優先
・回転数がひと目でわかるように、見やすい目盛りを設けました。
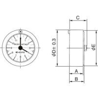
■ウエイト型(単体)
・指針が動くベアリングを内蔵タイプで動きがスムーズです。
・単体モデルは、その外径サイズによって28/38/53/75に分かれています。
・サイズ28と38は、ハンドル一体型モデルのため、回転軸に直接取付けて使用します。
・サイズ53と75は、お客様で自由にハンドル部分の設計を行っていただくか、ハンドルセットモデルをお選びいただきます。
・いずれのタイプも指針の数は1針か2針、豊富な回転比からお客様のご要望に応じたタイプをお選びいただけます。
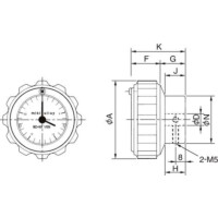
■ウエイト型(ハンドル付き)
・指針が動くベアリングを内蔵タイプで動きがスムーズです。
・単体モデルのSD-53/75にハンドル部分をセットしたモデルです。
・デザインと機能も充実し、ハンドル外径はφ66mm~φ250mmまで豊富に取り揃えています。
・インデックス部分の性能は単体モデルと同様、豊富な回転比からお客様のご要望に応じたタイプをお選びいただけます。
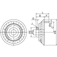
■差動型
・目盛盤が動く取り付け方向自由なタイプです。
・回転軸を回すと目盛盤は、同じ方向に回転します。
・目盛は時計方向に増加するものと反時計方向に増加するものから自由に選択することができます。
・目盛なしタイプを選択することで、目盛を自由に書き込むことが可能です。
・ウエイト型のように取付け方向の制限を受けないので、どのような方向でも取り付けることができます。

