SFC-DA2
-
SFC-DA2
■高剛性・低慣性のサーボモータ用カップリング
・サーボモータなどの高速高精度位置決め・超精密制御用途に開発した金属ばねカップリングで、高剛性・高トルク・低慣性・高速応答を実現しながら、こじり方向・段違い方向・軸方向にやわらかいという特性を持っています。
■完全ノーバックラッシです。
■高剛性・超低慣性
・小・中容量用モデルで、高強度の高力アルミ合金と軸径連動のハブ外径により、高加速運転に最適な超低慣性を実現しました。
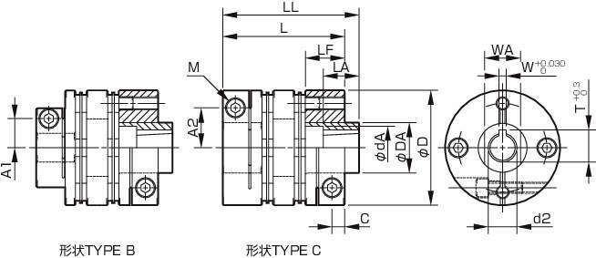
・ご採用いただく穴径の組み合わせによって、3パターンの形状が存在します。
■簡単・確実な締結
・軸への締結はシングルクランプ方式+テーパー軸。
・クランプハブは衝撃・振動に強く、確実な締結が可能なうえ、組み付け時間を大幅に短縮できます。
・専用治具で心出しを行っているため、極めて高い同心度を確保しています。
共通仕様
| タイプ | ダブルエレメント |
|---|---|
| ハブ材質 | 高力アルミ合金 |
| スペーサ材質 | 高力アルミ合金 |
| エレメント材質 | 板ばね SUS304 |
| 締結方法 | クランプ締結+テーパ軸対応 |

