モノづくりの困ったを解決する総合サイト

Produced by

三木プーリ

無励磁作動形ブレーキ 458

458

  • 458

■無励磁作動形ブレーキ
・停電時の緊急制動、長時間の停止状態の保持に
・非通電時に、スプリングの力によって作動する電磁ブレーキで、停電時の緊急制動、長時間の停止状態の保持、機械の惰走防止などにすぐれた性能を発揮します。
・静かな制動音、長寿命、コンパクトで大トルク、確実で安定した制動力、手動解放可能などの長所を備えています。
・無励磁ブレーキには、制動用と保持用の2種類があります。

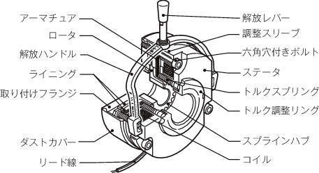
■458モデル
・長寿命でしかも高トルク、制動・保持の両用に最適なブレーキです。独自の特殊アーマチュアの採用により、制動時の耳ざわりな高周波摩擦音を低減。
・トルク調整リングを回すことにより、制動トルクを広範囲に調整できる上、二重制動構造になっているため、最低トルクは確保できます。
・オプションを選択することで、手動解放機能や防じん性を向上することができます。
・お客様のさまざまなご要望に応じることができる1台です。

■ トルク調整機能付き
・トルク調整リングを回すことにより、トルクを広範囲に調整できます。

■低騒音
・独自の特殊アーマチュア採用により、制動時の耳障りな高周波摩擦音を低減しました。


■電磁クラッチ・電磁ブレーキとは
・コイルに通電することにより発生する電磁力を利用して動力や回転運動を制御する装置です。
・クラッチは動力の連結と切り離し、ブレーキは回転運動の制動と保持を行い、その作動方法によって励磁作動形と無励磁作動形に分けることができます。
・励磁作動形とは、コイルへの通電を行うことで動作するクラッチ・ブレーキで、無励磁作動形とは、停電時などコイルへの通電が切れたときにスプリングの力で動作するブレーキを指します。

#電磁ブレーキ
#無励磁ブレーキ

共通仕様

用途 保持・制動用
使用可能温度 −10~+40℃
バックラッシ 極小
耐熱クラス F
適用電源装置 BEW・BEW-S・BEW-W・BEW-FH・BEM・BEM-T

詳細仕様

  • 672件中 1-10件

  • 表示件数

672件の型式

型式 サイズ 静摩擦トルク
Ts
(N・m)
コイル(at20℃) 付属品 軸穴寸法(mm) 寸法(mm) α
(°)
β
(°)
電圧 (V) 容量 (W) 電流 (A) 抵抗 (Ω) 取付け フランジ 手動解放 レバー ダスト カバー 規格 dH7 b t A B D E F G H I J K L M N O P1 P2 Q R S U V a n e
458-06-10-24V-11DIN 06 4 24 20 1.20 28.8 - - - JIS規格対応 11 4 (P9: -0.012/-0.042) 1.5 (+0.5/0) 87 72 31 91 87 52 24 15.3 6 36.3 18 3.95 3 1 15.8 32.8 54.5 107 23 13 8 0.2 3 4.4 120 12
458-06-10-24V-11JIS 06 4 24 20 1.20 28.8 - - - JIS旧規格(2種)対応 11 4 (E9:+0.050/+0.020) 1.5 (+0.5/0) 87 72 31 91 87 52 24 15.3 6 36.3 18 3.95 3 1 15.8 32.8 54.5 107 23 13 8 0.2 3 4.4 120 12
458-06-10-96V-11DIN 06 4 96 20 0.21 461 - - - JIS規格対応 11 4 (P9: -0.012/-0.042) 1.5 (+0.5/0) 87 72 31 91 87 52 24 15.3 6 36.3 18 3.95 3 1 15.8 32.8 54.5 107 23 13 8 0.2 3 4.4 120 12
458-06-10-96V-11JIS 06 4 96 20 0.21 461 - - - JIS旧規格(2種)対応 11 4 (E9:+0.050/+0.020) 1.5 (+0.5/0) 87 72 31 91 87 52 24 15.3 6 36.3 18 3.95 3 1 15.8 32.8 54.5 107 23 13 8 0.2 3 4.4 120 12
458-06-10-190V-11DIN 06 4 190 20 0.11 1805 - - - JIS規格対応 11 4 (P9: -0.012/-0.042) 1.5 (+0.5/0) 87 72 31 91 87 52 24 15.3 6 36.3 18 3.95 3 1 15.8 32.8 54.5 107 23 13 8 0.2 3 4.4 120 12
458-06-10-190V-11JIS 06 4 190 20 0.11 1805 - - - JIS旧規格(2種)対応 11 4 (E9:+0.050/+0.020) 1.5 (+0.5/0) 87 72 31 91 87 52 24 15.3 6 36.3 18 3.95 3 1 15.8 32.8 54.5 107 23 13 8 0.2 3 4.4 120 12
458-06-11-24V-11DIN 06 4 24 20 1.20 28.8 - - 付属 JIS規格対応 11 4 (P9: -0.012/-0.042) 1.5 (+0.5/0) 87 72 31 91 87 52 24 15.3 6 36.3 18 3.95 3 1 15.8 32.8 54.5 107 23 13 8 0.2 3 4.4 120 12
458-06-11-24V-11JIS 06 4 24 20 1.20 28.8 - - 付属 JIS旧規格(2種)対応 11 4 (E9:+0.050/+0.020) 1.5 (+0.5/0) 87 72 31 91 87 52 24 15.3 6 36.3 18 3.95 3 1 15.8 32.8 54.5 107 23 13 8 0.2 3 4.4 120 12
458-06-11-96V-11DIN 06 4 96 20 0.21 461 - - 付属 JIS規格対応 11 4 (P9: -0.012/-0.042) 1.5 (+0.5/0) 87 72 31 91 87 52 24 15.3 6 36.3 18 3.95 3 1 15.8 32.8 54.5 107 23 13 8 0.2 3 4.4 120 12
458-06-11-96V-11JIS 06 4 96 20 0.21 461 - - 付属 JIS旧規格(2種)対応 11 4 (E9:+0.050/+0.020) 1.5 (+0.5/0) 87 72 31 91 87 52 24 15.3 6 36.3 18 3.95 3 1 15.8 32.8 54.5 107 23 13 8 0.2 3 4.4 120 12

型式 商品コード 単位 価格
(円)
基準納期
日伝 メーカー
458-06-10-24V-11DIN 458-06-10-24V-11DIN P 41,400 - -
458-06-10-24V-11JIS 458-06-10-24V-11JIS P 41,400 - 25日間
458-06-10-96V-11DIN 458-06-10-96V-11DIN P 41,400 - -
458-06-10-96V-11JIS 458-06-10-96V-11JIS P 41,400 - 25日間
458-06-10-190V-11DIN 458-06-10-190V-11DIN P 41,400 - -
458-06-10-190V-11JIS 458-06-10-190V-11JIS P 41,400 - 25日間
458-06-11-24V-11DIN 458-06-11-24V-11DIN P 42,500 - -
458-06-11-24V-11JIS 458-06-11-24V-11JIS P 42,500 - 25日間
458-06-11-96V-11DIN 458-06-11-96V-11DIN P 42,500 - -
458-06-11-96V-11JIS 458-06-11-96V-11JIS P 42,500 - 25日間

関連製品

この製品を見た人はこのような製品も見ています

1952年設立で、動力伝導機器・産業機器・制御機器等の機械設備及び機械器具関連製品の販売をしている専門総合商社です。
日本国内で40以上の拠点を持ち、信頼性の高い製品と技術力で、全国のものづくりに携わる方々のあらゆるお困りごとを解決しています。

Loading...