A形
-
A形
-
B形
-
A形(アルミ製)
-
B形(アルミ製)
・標準プーリはバックラッシュレスで、位置決め精度が向上します。
・従来のISO JISの歯形に比べ、高トルク伝達が可能です。
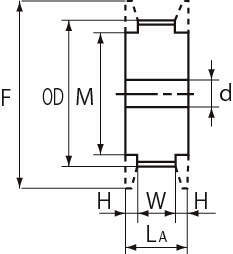
共通仕様
| プーリピッチ | 5.0mm |
|---|---|
| PLD | 0.480mm |
| 材質 | スチール製:鋼材 アルミ製:高力アルミニウム合金 |

