A形
-
A形
-
B形
-
C形
-
W形
共通仕様
| ピッチ | 5.08mm |
|---|---|
| 材質 | 歯数 30以下:焼結合金 歯数 32以上:鋼材 |
| 付属品 | A形・B形・C形:フランジ |
三ツ星ベルト
A形
A形
B形
C形
W形
| ピッチ | 5.08mm |
|---|---|
| 材質 | 歯数 30以下:焼結合金 歯数 32以上:鋼材 |
| 付属品 | A形・B形・C形:フランジ |
32件の型式
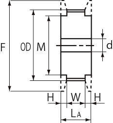
| 型式 | 歯形 |
プーリ 形状 |
材質 | 歯数 |
プーリ 呼び幅 |
プーリ幅 (mm) |
ピッチ径 P.D. (mm) |
外径 O.D. (mm) |
LA (mm) |
LB (mm) |
LW (mm) |
W (mm) |
H (mm) |
K (mm) |
D (mm) |
E (mm) |
G (mm) |
軸穴径d(mm) |
概略 質量 (kg) |
適用フランジ | ||||
|---|---|---|---|---|---|---|---|---|---|---|---|---|---|---|---|---|---|---|---|---|---|---|---|---|
| min | max | 型式 | 厚みt(mm) | 外径D(mm) | 内径P(mm) | |||||||||||||||||||
| P10XL037C | XL | C形 | 焼結合金 | 10 | 037 | 9.5 | 16.17 | 15.66 | - | 23 | - | 11 | 2 | 10 | 23 | - | - | 4 | 8 | 0.041 | F-102312 | 1 | 23 | 12 |
| P11XL037C | XL | C形 | 焼結合金 | 11 | 037 | 9.5 | 17.79 | 17.28 | - | 23 | - | 11 | 2 | 10 | 25 | - | - | 5 | 9 | 0.048 | F-102513 | 1 | 25 | 13 |
| P12XL037C | XL | C形 | 焼結合金 | 12 | 037 | 9.5 | 19.40 | 18.9 | - | 23 | - | 11 | 2 | 10 | 25 | - | - | 6 | 10 | 0.051 | F-102514 | 1 | 25 | 14 |
| P14XL037C | XL | C形 | 焼結合金 | 14 | 037 | 9.5 | 22.64 | 22.13 | - | 23 | - | 11 | 2 | 10 | 28 | - | - | 6 | 14 | 0.068 | F-102818 | 1 | 28 | 18 |
| P15XL037C | XL | C形 | 焼結合金 | 15 | 037 | 9.5 | 24.46 | 23.75 | - | 23 | - | 11 | 2 | 10 | 28 | - | - | 6 | 14 | 0.072 | F-102818 | 1 | 28 | 18 |
| P16XL037B | XL | B形 | 焼結合金 | 16 | 037 | 9.5 | 25.87 | 25.36 | 15 | 23 | - | 11 | 2 | 8 | 17 | - | - | 6 | 10 | 0.055 | F-103120 | 1 | 31 | 20 |
| P18XL037B | XL | B形 | 焼結合金 | 18 | 037 | 9.5 | 29.11 | 28.6 | 15 | 23 | - | 11 | 2 | 8 | 19 | - | - | 6 | 12 | 0.071 | F-103322 | 1 | 33 | 22 |
| P19XL037B | XL | B形 | 焼結合金 | 19 | 037 | 9.5 | 30.72 | 30.22 | 15 | 23 | - | 11 | 2 | 8 | 19 | - | - | 6 | 12 | 0.078 | F-103522 | 1 | 35 | 22 |
| P20XL037B | XL | B形 | 焼結合金 | 20 | 037 | 9.5 | 32.34 | 31.83 | 15 | 23 | - | 11 | 2 | 8 | 22 | - | - | 8 | 14 | 0.088 | F-103826 | 1 | 38 | 26 |
| P21XL037B | XL | B形 | 焼結合金 | 21 | 037 | 9.5 | 33.96 | 33.45 | 15 | 23 | - | 11 | 2 | 8 | 22 | - | - | 8 | 14 | 0.096 | F-103826 | 1 | 38 | 26 |
| 型式 | 商品コード | 単位 |
価格 (円) |
基準納期 | |
|---|---|---|---|---|---|
| 日伝 | メーカー | ||||
| P10XL037C | 10XL037C | P | 1,430 | 在庫品 | - |
| P11XL037C | 11XL037C | P | 1,450 | 在庫品 | - |
| P12XL037C | 12XL037C | P | 1,490 | 在庫品 | - |
| P14XL037C | 14XL037C | P | 1,620 | 在庫品 | - |
| P15XL037C | 15XL037C | P | 1,790 | 在庫品 | - |
| P16XL037B | 16XL037B | P | 1,890 | 在庫品 | - |
| P18XL037B | 18XL037B | P | 1,960 | 在庫品 | - |
| P19XL037B | 19XL037B | P | 2,040 | 在庫品 | - |
| P20XL037B | 20XL037B | P | 2,070 | 在庫品 | - |
| P21XL037B | 21XL037B | P | 2,080 | 在庫品 | - |
製品についてのご質問やお困りごとなどお気軽にご相談ください!