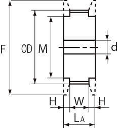
A形
-
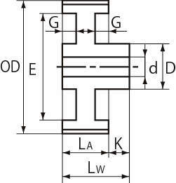
A形
-
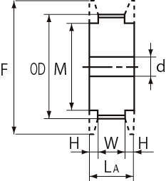
B形
-
C形
-
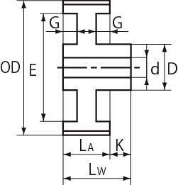
W形
共通仕様
| ピッチ | 5.08mm |
|---|---|
| 材質 | 歯数 30以下:焼結合金 歯数 32以上:鋼材 |
| 付属品 | A形・B形・C形:フランジ |
三ツ星ベルト
A形
A形
B形
C形
W形
| ピッチ | 5.08mm |
|---|---|
| 材質 | 歯数 30以下:焼結合金 歯数 32以上:鋼材 |
| 付属品 | A形・B形・C形:フランジ |
32件の型式
| 型式 | 歯形 |
プーリ 形状 |
材質 | 歯数 |
プーリ 呼び幅 |
プーリ幅 (mm) |
ピッチ径 P.D. (mm) |
外径 O.D. (mm) |
LA (mm) |
LB (mm) |
LW (mm) |
W (mm) |
H (mm) |
K (mm) |
D (mm) |
E (mm) |
G (mm) |
軸穴径d(mm) |
概略 質量 (kg) |
適用フランジ | ||||
|---|---|---|---|---|---|---|---|---|---|---|---|---|---|---|---|---|---|---|---|---|---|---|---|---|
| min | max | 型式 | 厚みt(mm) | 外径D(mm) | 内径P(mm) | |||||||||||||||||||
| P44XL037B | XL | B形 | 鋼材 | 44 | 037 | 9.5 | 71.15 | 70.64 | 15 | 25 | - | 11 | 2 | 10 | 38 | - | - | 10 | 26 | 0.517 | F-107858 | 1 | 78 | 58 |
| P32XL037A | XL | A形 | 鋼材 | 32 | 037 | 9.5 | 51.74 | 51.24 | 15 | - | - | 11 | 2 | - | - | - | - | 10 | 26 | 0.216 | F-105741 | 1 | 57 | 41 |
| P34XL037A | XL | A形 | 鋼材 | 34 | 037 | 9.5 | 54.98 | 54.47 | 15 | - | - | 11 | 2 | - | - | - | - | 10 | 26 | 0.246 | F-106141 | 1 | 61 | 41 |
| P36XL037A | XL | A形 | 鋼材 | 36 | 037 | 9.5 | 58.21 | 57.7 | 15 | - | - | 11 | 2 | - | - | - | - | 10 | 26 | 0.279 | F-106141 | 1 | 61 | 41 |
| P38XL037A | XL | A形 | 鋼材 | 38 | 037 | 9.5 | 61.45 | 60.94 | 15 | - | - | 11 | 2 | - | - | - | - | 10 | 26 | 0.313 | F-106550 | 1 | 65 | 50 |
| P40XL037A | XL | A形 | 鋼材 | 40 | 037 | 9.5 | 64.68 | 64.17 | 15 | - | - | 11 | 2 | - | - | - | - | 10 | 26 | 0.35 | F-106950 | 1 | 69 | 50 |
| P42XL037A | XL | A形 | 鋼材 | 42 | 037 | 9.5 | 67.91 | 67.41 | 15 | - | - | 11 | 2 | - | - | - | - | 10 | 26 | 0.388 | F-107453 | 1 | 74 | 53 |
| P44XL037A | XL | A形 | 鋼材 | 44 | 037 | 9.5 | 71.15 | 70.64 | 15 | - | - | 11 | 2 | - | - | - | - | 10 | 26 | 0.428 | F-107858 | 1 | 78 | 58 |
| P48XL037W | XL | W形 | 鋼材 | 48 | 037 | 9.5 | 77.62 | 77.11 | 15 | - | 25 | - | - | 10 | 38 | 64 | 5 | 10 | 26 | 0.406 | - | - | - | - |
| P50XL037W | XL | W形 | 鋼材 | 50 | 037 | 9.5 | 80.85 | 80.34 | 15 | - | 25 | - | - | 10 | 38 | 67 | 5 | 12 | 26 | 0.421 | - | - | - | - |
| 型式 | 商品コード | 単位 |
価格 (円) |
基準納期 | |
|---|---|---|---|---|---|
| 日伝 | メーカー | ||||
| P44XL037B | 44XL037B | P | 5,640 | - | - |
| P32XL037A | 32XL037A | P | 3,990 | 在庫品 | - |
| P34XL037A | 34XL037A | P | 4,090 | - | - |
| P36XL037A | 36XL037A | P | 4,210 | - | - |
| P38XL037A | 38XL037A | P | 4,360 | - | - |
| P40XL037A | 40XL037A | P | 4,480 | - | - |
| P42XL037A | 42XL037A | P | 4,630 | - | - |
| P44XL037A | 44XL037A | P | 4,810 | 在庫品 | - |
| P48XL037W | 48XL037W | P | 6,910 | 在庫品 | - |
| P50XL037W | 50XL037W | P | 7,360 | - | - |
製品についてのご質問やお困りごとなどお気軽にご相談ください!