A形
-
A形
-
B形
-
W形
共通仕様
| ピッチ | 9.525mm |
|---|---|
| 材質 | 歯数 44以下:鋼材 歯数46以上:鋳物 |
| 付属品 | A形・B形:フランジ |
三ツ星ベルト
A形
A形
B形
W形
| ピッチ | 9.525mm |
|---|---|
| 材質 | 歯数 44以下:鋼材 歯数46以上:鋳物 |
| 付属品 | A形・B形:フランジ |
120件の型式
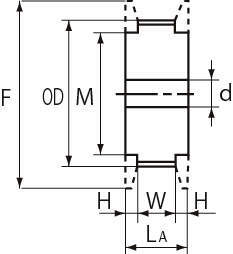
| 型式 | 歯形 |
プーリ 形状 |
材質 | 歯数 |
プーリ 呼び幅 |
プーリ幅 (mm) |
ピッチ径 P.D. (mm) |
外径 O.D. (mm) |
LA (mm) |
LB (mm) |
LW (mm) |
W (mm) |
H (mm) |
K (mm) |
D (mm) |
E (mm) |
G (mm) |
軸穴径d(mm) |
概略 質量 (kg) |
適用フランジ | ||||
|---|---|---|---|---|---|---|---|---|---|---|---|---|---|---|---|---|---|---|---|---|---|---|---|---|
| min | max | 型式 | 厚みt(mm) | 外径D(mm) | 内径P(mm) | |||||||||||||||||||
| P10L050A | L | A形 | 鋼材 | 10 | 050 | 12.7 | 30.32 | 29.56 | 19 | - | - | 14 | 2.5 | - | - | - | - | 6 | 14 | 0.08 | F-103522 | 1 | 35 | 22 |
| P12L050A | L | A形 | 鋼材 | 12 | 050 | 12.7 | 36.38 | 35.62 | 19 | - | - | 14 | 2.5 | - | - | - | - | 8 | 18 | 0.12 | F-104328 | 1 | 43 | 28 |
| P14L050A | L | A形 | 鋼材 | 14 | 050 | 12.7 | 42.45 | 41.68 | 19 | - | - | 14 | 2.5 | - | - | - | - | 10 | 20 | 0.17 | F-104734 | 1 | 47 | 34 |
| P15L050A | L | A形 | 鋼材 | 15 | 050 | 12.7 | 45.48 | 44.72 | 19 | - | - | 14 | 2.5 | - | - | - | - | 10 | 20 | 0.2 | F-165136 | 1.6 | 51 | 36 |
| P16L050A | L | A形 | 鋼材 | 16 | 050 | 12.7 | 48.51 | 47.75 | 19 | - | - | 14 | 2.5 | - | - | - | - | 12 | 22 | 0.23 | F-165539 | 1.6 | 55 | 39 |
| P17L050A | L | A形 | 鋼材 | 17 | 050 | 12.7 | 51.54 | 50.78 | 19 | - | - | 14 | 2.5 | - | - | - | - | 12 | 22 | 0.26 | F-165741 | 1.6 | 57 | 41 |
| P18L050A | L | A形 | 鋼材 | 18 | 050 | 12.7 | 54.57 | 53.81 | 19 | - | - | 14 | 2.5 | - | - | - | - | 12 | 24 | 0.3 | F-166141 | 1.6 | 61 | 41 |
| P19L050A | L | A形 | 鋼材 | 19 | 050 | 12.7 | 57.61 | 56.84 | 19 | - | - | 14 | 2.5 | - | - | - | - | 12 | 24 | 0.33 | F-166550 | 1.6 | 65 | 50 |
| P20L050A | L | A形 | 鋼材 | 20 | 050 | 12.7 | 60.64 | 59.88 | 19 | - | - | 14 | 2.5 | - | - | - | - | 12 | 26 | 0.34 | F-166550 | 1.6 | 65 | 50 |
| P21L050A | L | A形 | 鋼材 | 21 | 050 | 12.7 | 63.67 | 62.91 | 19 | - | - | 14 | 2.5 | - | - | - | - | 12 | 26 | 0.42 | F-166950 | 1.6 | 69 | 50 |
| 型式 | 商品コード | 単位 |
価格 (円) |
基準納期 | |
|---|---|---|---|---|---|
| 日伝 | メーカー | ||||
| P10L050A | 10L050A | P | 2,460 | 在庫品 | - |
| P12L050A | 12L050A | P | 2,810 | 在庫品 | - |
| P14L050A | 14L050A | P | 2,890 | 在庫品 | - |
| P15L050A | 15L050A | P | 3,050 | 在庫品 | - |
| P16L050A | 16L050A | P | 3,160 | 在庫品 | - |
| P17L050A | 17L050A | P | 3,220 | - | - |
| P18L050A | 18L050A | P | 3,250 | 在庫品 | - |
| P19L050A | 19L050A | P | 3,340 | - | - |
| P20L050A | 20L050A | P | 3,500 | 在庫品 | - |
| P21L050A | 21L050A | P | 3,580 | - | - |
製品についてのご質問やお困りごとなどお気軽にご相談ください!