A形
-
A形
-
B形
-
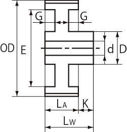
W形
共通仕様
| ピッチ | 9.525mm |
|---|---|
| 材質 | 歯数 44以下:鋼材 歯数46以上:鋳物 |
| 付属品 | A形・B形:フランジ |
三ツ星ベルト
A形
A形
B形
W形
| ピッチ | 9.525mm |
|---|---|
| 材質 | 歯数 44以下:鋼材 歯数46以上:鋳物 |
| 付属品 | A形・B形:フランジ |
120件の型式
| 型式 | 歯形 |
プーリ 形状 |
材質 | 歯数 |
プーリ 呼び幅 |
プーリ幅 (mm) |
ピッチ径 P.D. (mm) |
外径 O.D. (mm) |
LA (mm) |
LB (mm) |
LW (mm) |
W (mm) |
H (mm) |
K (mm) |
D (mm) |
E (mm) |
G (mm) |
軸穴径d(mm) |
概略 質量 (kg) |
適用フランジ | ||||
|---|---|---|---|---|---|---|---|---|---|---|---|---|---|---|---|---|---|---|---|---|---|---|---|---|
| min | max | 型式 | 厚みt(mm) | 外径D(mm) | 内径P(mm) | |||||||||||||||||||
| P40L050B | L | B形 | 鋼材 | 40 | 050 | 12.7 | 121.28 | 120.51 | 19 | 34 | - | 14 | 2.5 | 15 | 60 | - | - | 16 | 34 | 2.16 | F-16126100 | 1.6 | 126 | 100 |
| P44L050B | L | B形 | 鋼材 | 44 | 050 | 12.7 | 133.40 | 132.64 | 19 | 39 | - | 14 | 2.5 | 20 | 65 | - | - | 16 | 38 | 2.73 | F-16138125 | 1.6 | 138 | 125 |
| P12L075A | L | A形 | 鋼材 | 12 | 075 | 19.0 | 36.38 | 35.62 | 26 | - | - | 21 | 2.5 | - | - | - | - | 8 | 18 | 0.17 | F-104328 | 1 | 43 | 28 |
| P14L075A | L | A形 | 鋼材 | 14 | 075 | 19.0 | 42.45 | 41.68 | 26 | - | - | 21 | 2.5 | - | - | - | - | 10 | 20 | 0.24 | F-104734 | 1 | 47 | 34 |
| P15L075A | L | A形 | 鋼材 | 15 | 075 | 19.0 | 45.48 | 44.72 | 26 | - | - | 21 | 2.5 | - | - | - | - | 10 | 20 | 0.28 | F-165136 | 1.6 | 51 | 36 |
| P16L075A | L | A形 | 鋼材 | 16 | 075 | 19.0 | 48.51 | 47.75 | 26 | - | - | 21 | 2.5 | - | - | - | - | 12 | 22 | 0.31 | F-165539 | 1.6 | 55 | 39 |
| P17L075A | L | A形 | 鋼材 | 17 | 075 | 19.0 | 51.54 | 50.78 | 26 | - | - | 21 | 2.5 | - | - | - | - | 12 | 22 | 0.36 | F-165741 | 1.6 | 57 | 41 |
| P18L075A | L | A形 | 鋼材 | 18 | 075 | 19.0 | 54.57 | 53.81 | 26 | - | - | 21 | 2.5 | - | - | - | - | 12 | 24 | 0.41 | F-166141 | 1.6 | 61 | 41 |
| P19L075A | L | A形 | 鋼材 | 19 | 075 | 19.0 | 57.61 | 56.84 | 26 | - | - | 21 | 2.5 | - | - | - | - | 12 | 24 | 0.46 | F-166550 | 1.6 | 65 | 50 |
| P20L075A | L | A形 | 鋼材 | 20 | 075 | 19.0 | 60.64 | 59.88 | 26 | - | - | 21 | 2.5 | - | - | - | - | 12 | 26 | 0.51 | F-166550 | 1.6 | 65 | 50 |
| 型式 | 商品コード | 単位 |
価格 (円) |
基準納期 | |
|---|---|---|---|---|---|
| 日伝 | メーカー | ||||
| P40L050B | 40L050B | P | 9,770 | - | - |
| P44L050B | 44L050B | P | 11,130 | - | - |
| P12L075A | 12L075A | P | 3,380 | - | - |
| P14L075A | 14L075A | P | 3,500 | 在庫品 | - |
| P15L075A | 15L075A | P | 3,600 | 在庫品 | - |
| P16L075A | 16L075A | P | 3,770 | 在庫品 | - |
| P17L075A | 17L075A | P | 3,860 | - | - |
| P18L075A | 18L075A | P | 3,870 | 在庫品 | - |
| P19L075A | 19L075A | P | 4,150 | - | - |
| P20L075A | 20L075A | P | 4,280 | 在庫品 | - |
製品についてのご質問やお困りごとなどお気軽にご相談ください!