Sシリーズ Sタイプ
-
Sシリーズ Sタイプ
-
Sシリーズ Sタイプ
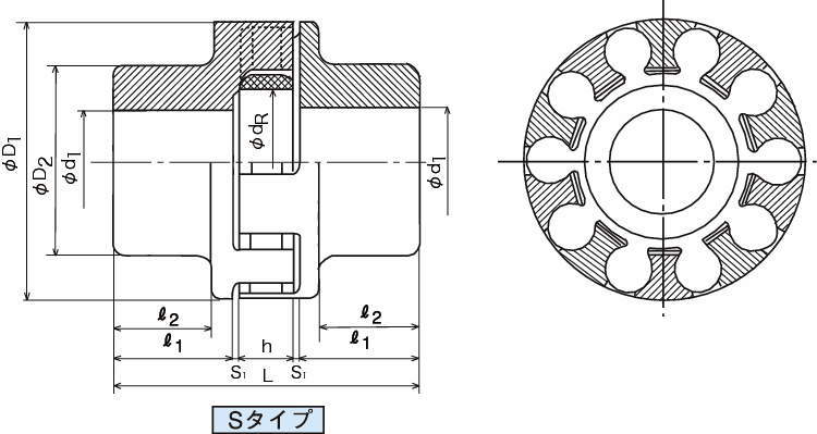
・激しい正逆運転、くり返しの断続運転に耐える特殊形状の圧縮応力型です。
・小さなスペースで使え、場所をとらないコンパクト設計です。
・フランジ爪部を機械加工していますので寸法精度が高くカップリング本体もコンパクト化されているため高速回転での使用に適しています。
・サイズが豊富で、用途範囲がさらに拡大します。
・合成ゴム、またはポリウレタン弾性体の使用により、衝撃の緩和、振動の吸収がよく、静かな運転ができるので、機械装置の寿命も延ばします。
共通仕様
| フランジの組合せ | シャフトタイプ(外ボス) / シャフトタイプ(外ボス) |
|---|

