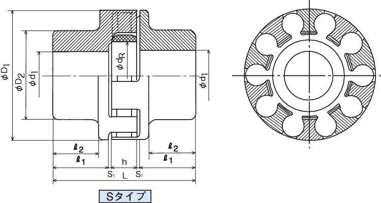
Sシリーズ Sタイプ
-
Sシリーズ Sタイプ
-
Sシリーズ Sタイプ
■チャンカップリング Sシリーズ
・三ツ星チャンカップリングSシリーズは、三ツ星ベルトとドイツのカップリングのトップメーカー、チャン(TSCHAN)社との技術提携により開発されたフレキシブルカップリングです。
・サイズ・フランジ弾性体の種類が多く各種組合せができ、応用範囲が大きく拡がります。
■小型で伝達トルクが大きい
・激しい正逆運転、くり返しの断続運転に耐える特殊形状の圧縮応力型です。
・最大トルク22,900N・mと、大きな伝達トルクを小さなサイズで得ることができます。
■軽量・コンパクトで取替え、取付けが容易
・小さなスペースで使え、場所をとらないコンパクト設計です。
■高速回転の機械に最適
・フランジ爪部を機械加工していますので、寸法精度が高くカップリング本体もコンパクト化されており、高速回転での使用に適しています。
■静かな運転で長寿命を実現
・合成ゴム、またはポリウレタン弾性体の使用により、衝撃の緩和、振動の吸収がよく、静かな運転ができるので、機械装置の寿命も延ばします。
■サイズが豊富で、用途範囲がさらに拡大します。
・小さいサイズから、最大軸径140�o、最大トルク22,900N・mまで、フランジの種類と弾性体の組み合わせにより、さまざまな用途に最適なサイズが選べます。
共通仕様
| フランジの組合せ | シャフトタイプ(外ボス) / シャフトタイプ(外ボス) |
|---|

